Ремонт без сварочного аппарата

Вместо сварки для латок на УАЗе используют олово В этой главе вы узнаете интересный способ, как выполнить ремонт УАЗ своими руками, не используя сварочного аппарата. Здесь не будет ни слова о стеклоткани и эпоксидке — оставим их для пластика, и для тех, горе-мастеров, работающих не на совесть, а только, чтобы закрыть глаза заказчику. Уважающий себя и свой автомобиль, владелец, не налепит на пораженный ржавчиной кузов стеклоткань с эпоксидкой. Потому что коррозия под такой латкой продолжит свое разрушительное действие, и в результате, через пару месяцев вы получите на этом месте увеличенную дырку.
На металлическом кузове, особенно, если это кузов УАЗ буханка, заплатки должны быть из металла. Найдите обрезки стального листа, приближенного к толщине кузова. Болгаркой, или ножовкой по металлу вырежьте из него заплатки по размеру, перекрывающие отверстия на корпусе машины. Обточите вырезанные детали, чтобы не торчали по краям срезы, примерьте, и притрите к местам крепления. Сильным паяльником отлудите места стыков. Латку прогрейте и положите на облуженное место, припаяйте, при этом выравнивая расплавленное олово, чтобы не образовалось выступов
Подрихтуйте осторожно молоточком
Дайте заплатке остыть. Проверьте на прочность. Если все сделали правильно, то прочность и долговечность гарантированы. Отшлифуйте свою заплатку. Так, с помощью паяльника и олова вы можете припаять небольшие заплатки на кузове, на двери, обработать остальные кузовные детали. Олово, кроме того, что соединяет, еще защищает металл от коррозии.
Данный метод ничуть не дороже, чем заплатки из стеклоткани, но надежнее. Этот метод позволяет выполнять мелкий кузовной ремонт любой ульяновской машины.
Ремонт и сервисное обслуживание автомобилей, двигателей и автоматических коробок передач
_____________________________________________________________________________
Ремонт деталей подвески УАЗ-Патриот (УАЗ-3163)
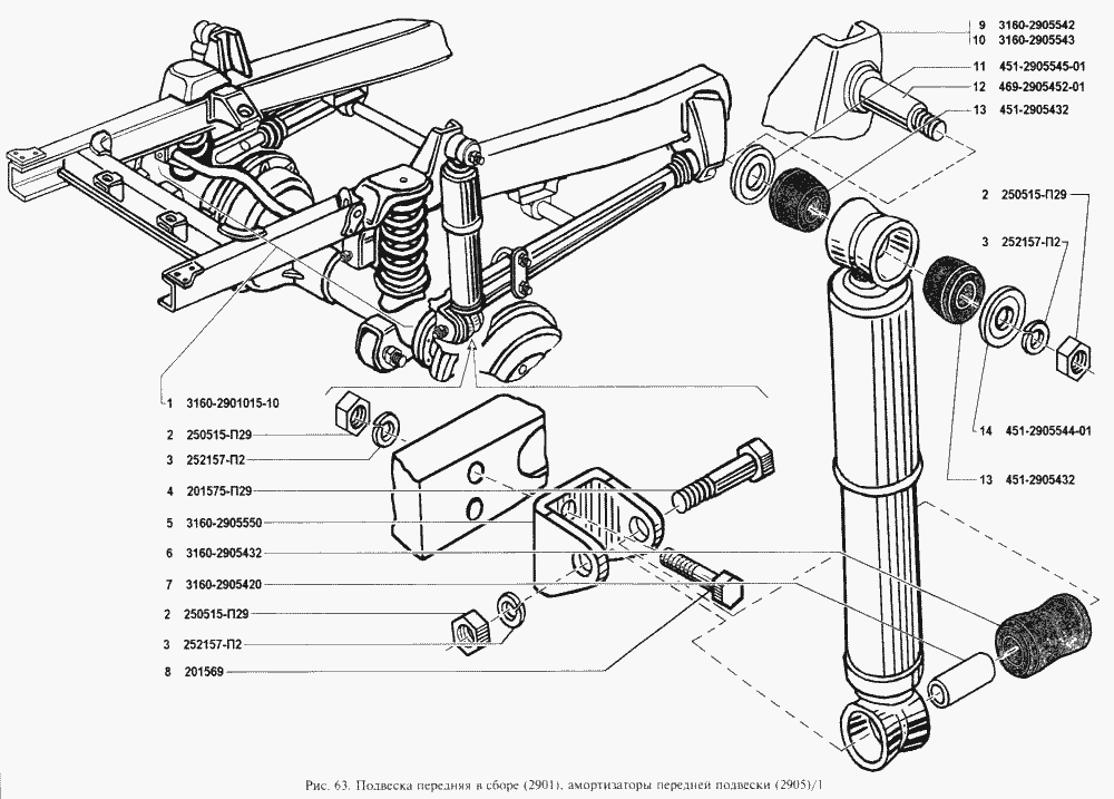
Передняя подвеска автомобиля УАЗ-Патриот (УАЗ-3163) состоит из двух пружин, стабилизатора поперечной устойчивости, двух газонаполненных телескопических амортизаторов и направляющего аппарата: двух продольных штанг 15 и поперечной тяги 22 (рис. 1). Направляющий аппарат подвески обеспечивает правильную установку моста и влияет на управляемость, устойчивость и тормозные качества автомобиля.
- Продольные штанги соединены с передним мостом посредством неразборных резино-металлических шарниров 4 и кронштейнов 16, а с рамой — через опорные втулки 12 и кронштейны 9.
- Поперечная тяга 22 соединяется через резинометаллические шарниры 21 с кронштейнами моста и рамы.

Рис. 1. Передняя подвеска УАЗ-Патриот (УАЗ-3163)
1 -подушка пружины; 2, 17 -кронштейны пружины; 3 -амортизатор; 4, 21 -шарниры резинометаллические; 5, 10 -гайки; 6 -стремянки; 7 -подушка стабилизатора; 8 -подушки; 9, 16 -кронштейны продольной штанги; 11 -шайба; 12 -втулки опорные резиновые; 13 -кронштейн стойки стабилизатора; 14 -штанга стабилизатора; 15 -продольная штанга; 18 -пружина; 19 -буфер сжатия; 20,23 -кронштейны поперечной тяги; 22 -поперечная тяга; 24 -кронштейн амортизатора; 25 -обоймы подушек; 26 -стойка стабилизатора
Предельный ход подвески УАЗ-Патриот вверх ограничивается буфером 19. Буфер одновременно выполняет функцию дополнительного упругого элемента (подрессорника).
Для гашения вертикальных колебаний имеются два телескопических амортизатора 3. Кроме того, амортизаторы являются ограничителями хода подвески вниз.
Задняя подвеска автомобиля УАЗ-Патриот, УАЗ-3163 (рис. 2) состоит из двух рессор (3 листа) и амортизаторов, расположенных с внешней стороны рамы.
Предельный ход моста вверх ограничивается резиновыми буферами 17. К мосту рессора крепится при помощи стремянок 6, подкладки 7 стремянок, подкладки 12 и накладки 5.

Рис. 2. Задняя подвеска УАЗ-Патриот (УАЗ-3163)
1,11 -кронштейны амортизатора; 2 -рессора; 3 -амортизатор; 4 -рама; 5 -накладка; 6 -стремянка; 7 -подкладка стремянок; 8 -кронштейн серьги; 9, 13 -межлистовые прокладки; 10 -гайка стремянки; 12 -подкладка рессоры; 14 -ось; 15 — резинометаплический шарнир; 16 -гайка оси; 17 -буфер; 18 -щека серьги внутренняя; 19 -палец; 20 -втулка резиновая; 21 -гайки пальца; 22 -щека серьги наружная
Передний конец рессоры при помощи резинометаллических шарниров 15 устанавливается на неподвижной оси 14.
Задний конец посредством серьги, резиновых втулок 20 и резинометаллических шарниров 15 установлен шарнирно на раме. Передние и задние амортизаторы не взаимозаменяемы.
Разборка передней пружинной подвески УАЗ-Патриот
Замена пружин 18 (см. рис. 1), подушек 1 пружин и буферов пружинной подвески УАЗ-Патриот:
— Отсоедините нижние проушины амортизаторов 3 от кронштейнов 24 переднего моста, отвернув гайки и вынув болты.
- — Поднимите и установите переднюю часть автомобиля на подставку.
- — Снимите пружины 18 и вибропоглощающие подушки I.
- — Отверните болты крепления буферов 19.
— Сборку производите в обратном порядке. Заменяемые пружины должны быть одной группы. При невозможности вынуть или вставить пружину необходимо дополнительно отсоединить один из концов поперечной тяги.
- Замена резинометаллических шарниров 4, опорных втулок 12, продольных штанг 15 и резиновых подушек 1, подушек 8 штанги стабилизатора 14, а также стойки 26 стабилизатора:
- — Отсоедините нижние проушины амортизаторов от кронштейнов 24, отвернув гайки и вынув болты.
- — Отверните гайки 5 и выбейте болты крепления продольной штанги к мосту.
Ремонт двигателя УАЗ Патриот
| Услуга | Время |
| Замена ГРМ | 12 час. |
Ремонт трансмиссии УАЗ Патриот
| Услуга | Время |
| Замена сцепления | 3 час. |
| Замена главной пары | 3 час. |
| Ремонт моста | 12 час. |
| Замена ступичного подшипника | 2 час. |
| Ремонт раздаточной коробки | 5 час. |
| Замена сальника хвостовика | 1 час. |
| Замена ступицы | 2 час. |
| Замена КПП | 3 час. |
| Замена карданного вала | 1 час. |
| Замена крестовин карданного вала | час. |
| Замена раздаточной коробки | 2 час. |
Ремонт подвески УАЗ Патриот
| Услуга | Время |
| Замена амортизаторов | 1 час. |
| Замена пружин | 2 час. |
| Замена рессор | 3 час. |
| Замена сайлентблоков | 1 час. |
| Замена рычага УАЗ Патриот | 1 час. |
Ремонт тормозов УАЗ Патриот
| Услуга | Время |
| Замена задних тормозных колодок | 3 час. |
| Замена передних тормозных колодок | 1 час. |
| Ремонт стояночного тормоза | 3 час. |
Проверка технического состояния деталей передней и задней подвески на УАЗ Патриот
Все работы по проверке технического состояния передней и задней подвески на УАЗ Патриот должны проводятся снизу автомобиля, установленного на подъемнике или смотровой яме с вывешенными колесами.

Передняя подвеска
Передняя подвеска УАЗ Патриот зависимая и включает в себя две продольные штанги, одну поперечную тягу Панара, две витые цилиндрические пружины, два телескопических амортизатора и стабилизатор поперечной устойчивости.
Путем осмотра, выясните, нет ли на деталях механических повреждений, трещин или следов задевания о дорожные препятствия или кузов, деформации рычагов, растяжек, штанги стабилизатора, деталей рамы и кузова в местах крепления узлов и деталей.
Проверка технического состояния деталей передней подвески на УАЗ Патриот.
Проверьте состояние резинометаллических шарниров, резиновых подушек, опор амортизаторов. Резинометаллические шарниры и резиновые подушки подлежат замене при разрывах и одностороннем выпучивании резины, а также при подрезании их торцовых поверхностей.
Поочередно покачивая передние колеса в вертикальной плоскости, проверьте шкворни на наличие люфтов. Если обнаружены люфты в шкворнях, подтяните их или замените шкворни вместе с вкладышами.
На резиновых деталях подвески не допускаются признаки старения резины и механические повреждения. На резинометаллических шарнирах но допускаются признаки старения, трещины, одностороннее выпучивание резинового массива, отрыв резинового массива от арматуры.
Задняя подвеска
Задняя подвеска на УАЗ Патриот и зависимая рессорная, включает в себя две продольные полуэллиптические малолистовые рессоры и два гидравлических или гидропневматических телескопических амортизатора двухстороннего действия.
УАЗ-469. Руководство по ремонту
Эксплуатация любого автомобиля УАЗ 469 невозможна без знаний его устройства, особенностей обслуживания и ремонта. Не имеет значения, кем будут производиться необходимые работы, — каждый водитель просто обязан знать элементарные процедуры ухода и устранения неполадок.
Книга по ремонту УАЗ 469 содержит в себе все необходимые сведения, которые помогут владельцу разобраться в устройстве автомобиля, научат грамотному уходу за автомобилем, своевременному техническому обслуживанию и правильному ремонту.
Руководство по ремонту УАЗ 469 разделено на главы: Устройство автомобиля (описываются общие сведения и паспортные данные автомобиля); Инструкция по эксплуатации (подготовка к выезду, рекомендации по безопасности движения); Неисправности в пути (советы, которые помогут Вам в случае неожиданной поломки в дороге); Техническое обслуживание (подробные рекомендации по проведению всех процедур обслуживания); Инструкции по ремонту (двигатель, трансмиссия, ходовая часть, рулевое управление, тормозная система, а также включены сборочно-разборочные работы, необходимые в процессе ремонта УАЗ 469); Электрооборудование (подробный мануал по диагностике и устранению неисправностей, отдельно описаны основные блоки и даны подробные электрические схемы УАЗ 469).
Любая из процедур ремонта УАЗ 469 приведена по принципу от простого к сложному: от простейших операций по обслуживанию, регулировке, замене деталей, до глобального ремонта со сборочно-разборочными работами.
Все материалы книги основаны на конкретном опыте, полученном в процессе полной разборки и сборки УАЗ 469 высококвалифицированными автомеханиками.
Книга «УАЗ-469. Руководство по ремонту» необходима, чтобы диагностика и ремонт УАЗ 469 могли быть сделаны профессионально и быстро даже владельцем автомобиля, который ещё имеет мало практического опыта.
Бесплатно скачать руководство по ремонту УАЗ 469 Вы можете в формате pdf. Его достаточно закачать в свой телефон либо планшет и в любой ситуации на дороге Вы сможете им воспользоваться.
Проверка технического состояния деталей передней и задней подвески на УАЗ Патриот
Все работы по проверке технического состояния передней и задней подвески на УАЗ Патриот должны проводятся снизу автомобиля, установленного на подъемнике или смотровой яме с вывешенными колесами.

Передняя подвеска
Передняя подвеска УАЗ Патриот зависимая и включает в себя две продольные штанги, одну поперечную тягу Панара, две витые цилиндрические пружины, два телескопических амортизатора и стабилизатор поперечной устойчивости.
Путем осмотра, выясните, нет ли на деталях механических повреждений, трещин или следов задевания о дорожные препятствия или кузов, деформации рычагов, растяжек, штанги стабилизатора, деталей рамы и кузова в местах крепления узлов и деталей.
Проверка технического состояния деталей передней подвески на УАЗ Патриот.
Проверьте состояние резинометаллических шарниров, резиновых подушек, опор амортизаторов. Резинометаллические шарниры и резиновые подушки подлежат замене при разрывах и одностороннем выпучивании резины, а также при подрезании их торцовых поверхностей.
Поочередно покачивая передние колеса в вертикальной плоскости, проверьте шкворни на наличие люфтов. Если обнаружены люфты в шкворнях, подтяните их или замените шкворни вместе с вкладышами.
На резиновых деталях подвески не допускаются признаки старения резины и механические повреждения. На резинометаллических шарнирах но допускаются признаки старения, трещины, одностороннее выпучивание резинового массива, отрыв резинового массива от арматуры.
Задняя подвеска
Задняя подвеска на УАЗ Патриот и зависимая рессорная, включает в себя две продольные полуэллиптические малолистовые рессоры и два гидравлических или гидропневматических телескопических амортизатора двухстороннего действия.
Особенности конструкции
На внедорожнике УАЗ Патриот передняя подвеска является зависимой и представлена в виде следующих устройств:
- цилиндрические пружины;
- амортизаторы гидравлического типа;
- стабилизаторы поперечных тяг;
- шаровые шкворни и продольные штанги.
Продольные штанги и поперечная тяга предназначаются для того, чтобы обеспечивать правильную фиксацию переднего моста, который является дополнительным. Штанги непосредственно крепятся к конструкции переднего моста посредством неразборных сайлентблоков и кронштейнов. Второй конец штанги фиксируется к раме внедорожника УАЗ 3163 посредством резиновых шарниров.
Главная роль в удалении колебаний автомобиля выполняют два телескопических амортизатора, которые также предназначаются и для ограничения хода подвески. Задняя часть также оснащена двумя амортизаторами, но они отличаются от передних, поэтому невзаимозаменяемы.

Поворотные кулаки имеют ступицы, на которых размещены тормозные диски. Вращение ступицы обеспечивается посредством двух роликовых подшипников с каждой стороны, которые со временем приходят в негодность и требуют замены. Регулировка подшипников осуществляется с помощью гайки, располагающейся на цапфе с контргайкой.
Передняя подвеска внедорожника УАЗ 3163 Патриот подвержена различным негативным факторам, если он используется по назначению. Поэтому нередко можно услышать посторонние звуки из-под движущегося автомобиля
При первых признаках неисправностей передней подвески важно сразу же прибегнуть к поиску неисправностей и по возможности их устранять
Проверка подвески на внедорожнике УАЗ Патриот осуществляется посредством проведения следующих действий:
Для начала следует обратить внимание на состояние резинометаллических уплотнителей или шарниров, которые являются самыми первыми претендентами на выход из строя.
Осмотру подлежат также рычаги подвески, на которых нередко могут появляться различные дефекты в виде трещин, сколов и прочих видов повреждений.
Проводится визуальный осмотр и амортизаторов, которые могут иметь такие виды повреждений, как неисправности втулок, а также нарушение целостности самого устройства, потеки.
Конструктивная схема передней подвески представлена на фото ниже.
![]()
Конструкция передней подвески всех автомобилей намного сложнее, чем задняя. Это обусловлено, прежде всего, тем, что на передние колеса возложена функция управления
Поэтому очень важно чтобы конструкция всегда была исправной и не подвела в пути. Для этого следует периодически проводить профилактику ходовой части, даже путем постановки машины на смотровую яму и проведения визуального осмотра
Если выявлены различные виды неисправностей, то в таком случае поможет только ремонт.
Что представляет собой ремонт передней подвески внедорожника УАЗ 3163, рассмотрим далее.
Ремонт
Если на большинстве легковых авто конструкция передней подвески является независимой, то на Патриоте и многих других внедорожниках она является зависимой. Чтобы осуществить ремонт подвески на УАЗ 3163 Патриот, первым делом необходимо осуществить выяснение причины неисправности. Причин, как вы понимаете, может быть много, но частые поломки уже известны владельцам данного автомобиля.
Прежде чем осуществить ремонт подвески, следует провести демонтажные работы, которые состоят из следующих действий:
- осуществляется постановка автомобиля на смотровую яму;
- демонтируются колеса, а также наконечники рулевой тяги;
- снимаются также суппорта передних колес;
- осуществляется снятие шкворней и проводится их ремонт или замена шаровых опор;
- демонтируется пружина посредством специального инструмента для ее сжатия;
- демонтируются амортизаторы, и проводится их ремонт или замена.
В зависимости от неисправности, проводится соответствующей ремонт узла или механизма. Некоторые устройства подлежат замене, а другие можно отремонтировать, например, шаровые опоры нужно заменять, а амортизаторы ремонтируются. Пружины со временем проседают, поэтому чтобы не осуществлять их замену, осуществляется установка специальных полиуретановых проставок.
Решаем косметические проблемы кузова
Прежде, чем начать ремонт кузова УАЗ определите степень повреждений. Иногда коррозия начинается с внутренней стороны кузова, хотя внешний лакокрасочный слой выглядит неповрежденным.
Перед тем, как планировать ремонт автомобиля, его тщательно вымойте и высушите. Осмотрите кузов на наличие повреждений. В зависимости от количества и размеров коррозии вы решите, будет ли это ремонт своими руками, или отправите машину в автосервис. Предстоит делать капитальный ремонт, или средний.
Итак, вы решили выполнять ремонт УАЗ самостоятельно.
- Зачищаете проблемные места до металлического блеска.
- Если ржавчина проела металл насквозь, придется ставить латки, приваривать их с внутренней стороны. Сварочные швы выровняйте с помощью наждачного диска;
- Сначала отрихтуйте имеющиеся на металле вмятины;
- Перед нанесением шпаклевки кузов протрите от пыли, сухих частиц старой краски и затем обезжирьте.
- Кузов машины обработайте фосфатирующим грунтом. Эта мера локализует очаги коррозии, даже если остались островки ржавчины, и защитит металл от дальнейшего окисления. Защитный грунт разбавляется растворителем и наносится тонким слоем из краскопульта.

Кузов УАЗа приходится латать металлом, без сварочного аппарата не обойтись
- Теперь приступайте к шпаклеванию. Наносите шпаклевку тонкими слоями, сглаживая неровности металла, оставшиеся после механического ремонта. Шпаклевка накладывается не менее трех раз с промежуточной сушкой и шлифовкой каждого слоя.
- Шпаклеванная поверхность перед покраской грунтуется в один-два слоя. Для грунтования используйте краскопульт. Высушенный грунтовочный слой ошкуривается для образования ровной поверхности, удаления возможных потеков.
- Затем на обрабатываемую поверхность наносится поочередно 2-3 слоя автоэмали соответствующего цвета. Каждый слой выдерживается в соответствии со временем, указанным на банке. Имейте в виду, что время сушки на банке указывается для комнатной температуры. Если в помещении температура ниже, то время высыхания краски возрастает. Влажность воздуха тоже влияет на высыхание краски не меньше, чем температура. Каждый высушенный слой отшлифуйте и протрите от пыли липкой салфеткой.
Передняя подвеска УАЗ Патриот- распространенные неисправности и способы ремонта
В конструкции каждого автомобиля такой элемент, как подвеска играет важную роль. Именно благодаря подвеске водитель и пассажиры во время поездки не испытывают всего негатива от передвижения по дорогам. Чем сложнее подвеска на авто, тем комфортнее чувствуют себя пассажиры и водитель. На автомобиле Ульяновского производства внедорожнике УАЗ 3163 Патриот имеется как задняя, так и передняя подвески.
- Подробная схема с описанием передней подвески УАЗ Патриот
- Устройство передней подвески УАЗ Патриот
- Видео: Работа передней подвески УАЗ Патриот
- Уаз Патриот причины стука в передней подвеске
- Ремонт передней подвески Уаз Патриот
- Увеличение артикуляции передней подвески Уаз Патриот своими руками
- Видео: УАЗ Патриот ревизия поворотного кулака
Требуемые регламентные
Техническое обслуживание автомобиля УАЗ 3163 Патриот заключается в своевременной замене расходных материалов и проведении плановых профилактических работ. Это помогает продлить срок эксплуатации автомобиля без поломок.
Регламентные работы, которые проводятся через каждые 10 000 км.
- Подтяжка передней и задней подвески к раме, фланцев карданных валов к раздатке и мостам, промежуточной опоры к поперечине, шаровых к полуосям, ведущих фланцев к ступицам, рычагов поворотных кулаков и деталей рулевого механизма.
- Подтяжка навесного оборудования силового агрегата, а также его картера и хомутов всех резиновых шлангов.
- Балансировка и перестановка колес.
- Сливание воды из бензобаков.
- Зачистка и смазка клемм аккумулятора, прочистка вентиляционных отверстий в пробках.
- Очистка свечей зажигания, регулировка зазора.
- Замена моторного масла.
- Очистка предохранительных клапанов мостов.
Каждые 20 000 км осуществляются следующие операции.
- Подтяжка элементов трансмиссии, двигателя и кузова к раме. Впервые эти действия нужно провести после обкатки авто.
- Замена топливного фильтра.
- Очистка контрольного отверстия в помпе.
- Замена свечей зажиганиям.
- Замена трансмиссионного масла.
- Регулировка направления света фар и противотуманок.

Замена масла в машине
После прохождения каждых 30 00 км проводятся такие работы.
- Очистка и промывка системы вентиляции картера, замена фильтрующего элемента воздушного фильтра.
- Промывка бензобаков и сетчатого фильтра электробензонасоса (ЭБН).
- Очистка системы смазки двигателя.
- Замена масла в мостах и подшипниках ступиц, подтяжка болтов задних тормозных щитов и передних цапф.
Замена ЭБН, форсунок, регулятора холостого хода, регулятора давления, нейтрализатора, катушки зажигания, адсорбера и всех датчиков управления силовым агрегатом проводится через каждые 80 000 км. Очистка генератора и стартера от грязи, проверка состояния щеток и коллектора, замена щеток (рекомендуется) осуществляются после прохождения каждых 40 000 км.
Затяжка шкивов коленвала и генератора осуществляется только после обкатки. Раз в 2 года проводится замена тормозной жидкости и масла в гидроусилителе. Антифриз меняют 1 раз в 3 года.
Ремонт УАЗ 3163 (Патриот) : Передняя подвеска
7.1.1 Передняя подвеска Особенности конструкции Регулировка зазора в подшипниках ступиц передних колес Снятие и установка ступицы переднего колеса Снятие и установка цапфы поворотного кулака Замена подшипников ступицы переднего колеса Регулировка и замена шаровых шкворней Замена амортизатора передней подве…
7.1.2 Особенности конструкции

Рис. 7.1 . Передняя подвеска: 1 – поперечная тяга передней подвески; 2 – пружина передней подвески; 3 – буфер сжатия передней подвески; 4 – опора пружины передней подвески; 5 – втулки верхнего крепления амортизатора; 6 – амортизатор передней подвески; 7 – рама; 8 – стремянки штанги ст…
7.1.3 Регулировка зазора в подшипниках ступиц передних колес Периодически проверяйте и при необходимости регулируйте подшипники ступиц колес. При слишком большом люфте в подшипниках во время движения возникают удары, разрушающие подшипники, вибрация на рулевом колесе, неравномерно (пятнами) изнашиваются шины. При чрезмерной затяжке подшипники сильно нагр…
7.1.4 Снятие и установка ступицы переднего колеса Вам потребуются: ключ «на 14», специальный трубчатый ключ «на 55», вороток, отвертка с плоским лезвием, молоток, зубило, монтажная лопатка. Полезный совет Ступицу переднего колеса можно снять в сборе с тормозным диском или без него. В случае замены ступицы предпочтительней второй спос…
7.1.5 Снятие и установка цапфы поворотного кулака Вам потребуются: ключ «на 14», развертка. 1. Затормозите автомобиль стояночным тормозом, установите упоры под задние колеса автомобиля. Поднимите и установите переднюю часть автомобиля на опоры, снимите колесо. 2. Снимите ступицу в сборе с подшипниками (см. «Снятие и устан…
7.1.6 Замена подшипников ступицы переднего колеса Внешние признаки необходимости замены подшипников: – повышенный шум при вращении колеса; – невозможность добиться регулировкой номинального зазора в подшипниках. Вам потребуются: съемник внутренних стопорных колец, отвертка с плоским лезвием, выколотка, молоток. 1. Снимите ступицу в …
7.1.7 Регулировка и замена шаровых шкворней

Шаровые шкворни регулируют при появлении в них осевого люфта, при разборке поворотного кулака или замене шаровых шкворней с вкладышами. Рис. 7.3 . Специальное приспособление для затяжки зажимных втулок шаровых шкворней Вам потребуются: ключи «на 19», «на 22», «на 24», специ…
7.1.8 Замена амортизатора передней подвески Заменяйте амортизатор при появлении течи рабочей жидкости или при снижении эффективности гашения колебаний (см. «Проверка технического состояния деталей передней подвески на автомобиле»). Предупреждение Неисправные амортизаторы заменяйте только парами (передние, задние) или комплектом…
7.1.9 Замена пружин передней подвески Пружины заменяют в следующих случаях: – ухудшение плавности хода, частые «пробои» подвески; – видимый перекос автомобиля или значительная разница по высоте при осадке пружин более 20 мм, возникшей в процессе длительной эксплуатации или вследствие тяжелых дорожных условий; – сильно выражен…
7.1.10 Замена буфера сжатия передней подвески Вам потребуются: торцовая головка «на 17», вороток. 1. Снимите пружину передней подвески (см. «Замена пружин передней подвески» ). 2. Выверните болт крепления буфера сжатия к кронштейну рамы… 3. …и снимите буфер. 4. Установите новый буфер в порядке, обратном…
Недостатки
Как и любой механизм, пневмоподвеска имеет некоторые минусы. Главным из них является высокая стоимость запчастей качественной конструкции. Также подобный узел не отличается высоким показателем ремонтопригодности. Проще заменить негодную деталь, чем ее отремонтировать. Да и мало какой сервис берется за такую работу, поскольку в этой сфере не хватает высококвалифицированных специалистов.
Если транспортное средство не оборудовано пневмоподвеской в штатном исполнении, не на каждую машину ее можно поставить, и даже если это возможно, операция не отличается простотой и дешевизной. Некоторые автомобилисты отмечают недолгий срок службы узла, по сравнению с цельнометаллическим аналогом, хотя пневмоподвеска и относится к самым комфортным системам. Еще некоторые водители сетуют на то, что чем больше в блоке деталей, тем возрастает вероятность поломки, а из-за одного элемента придется перебирать весь узел.
















































