Как продлить срок эксплуатации коробки передач?
Продлить срок эксплуатации механической коробки передач поможет регулярный осмотр уровня смазки, наличия в ее составе примесей, грязи, осадка. Обнаружив изменения трансмиссионной жидкости, следует незамедлительная замена масла в МКПП на Форде Мондео.
Компания Ford рекомендует менять масло для Ford Mondeo через каждые 80 – 90 тысяч км пробега. Эти рекомендации идеально подходят для умеренного и относительно теплого климата, стабильных температур и отличных условий на дорогах.
Если автомобиль постоянно подвергается повышенным нагрузкам, эксплуатируется в регионах с резкими перепадами температур, при агрессивном способе вождения, качество смазочного материала значительно сокращается. В сложных условиях передвижения, для продления срока эксплуатации коробки передач, замена масла в МКПП на Ford Mondeo сокращается до 50 – 60 тысяч км пробега.

Приобретая жидкость для МКПП, следует воспользоваться оригинальным синтетическим трансмиссионным маслом SAE 75W-90, объемом 1,75 литра. При замене смазки потребуется немного больше – 2 литра. При отсутствии оригинального средства, можно воспользоваться аналогами:
- LIQUI MOLY 75W-90;
- Motul GEAR 300 75W-90;
- Castrol Syntrans Multivehicle 75w-90;
- MT1L COMMA.
От правильно подобранного трансмиссионного масла в механическую коробку передач зависит долговечность и надежность функционирования системы смазки. Если уровень жидкости снизился, но ее цвет не изменился, достаточно будет просто долить расходный материал в коробку передач.
При обнаружении значительных изменений в составе масла, при его помутнении или потемнении, запахе горелого следует полностью заменить смазочный материал, учитывая параметры вязкости и указанные выше виды масла для механической коробки передач Форд Мондео.
Продлить срок службы коробки передач поможет:
- Правильная эксплуатация транспортного средства.
- Осмотр механической коробки на наличие потеков – примерно раз в год.
- Проверка уровня жидкости каждые 15 тысяч км, если надо – доливается.
- Полная замена масла при пробеге 60 – 70 тысяч км.
- Применение в МКПП жидкостей, рекомендованных производителем.
- Запрещается смешивать трансмиссию с другим составом, во избежание быстрого износа деталей.
При соблюдении всех инструкций, механическая коробка передач не подведет в своей работе в процессе эксплуатации автомобиля.
Силовой агрегат. Трансмиссия.
Стандартно Mondeo передает свою мощность двигателя на ведущие колеса посредством «вручную» переключаемой пятиступенчатой коробки передач (МТХ-75). МТХ-75-коробка передач является «старым знакомым» из фонда агрегатов Ford: ее, например, используют также и мощные варианты Focus. Mondeo 2001 «переключает и управляет», разумеется, основательно модифицированный вариант МТХ-75. Она, например, обладает.
- новыми внешними кулисами переключения передач,
- выходным валом другой конструкции – малая шестерня здесь является прочной составной частью вала,
- согласованным с новым двигателем корпусом коробки передач.
Как и прежде, коробка передач МТХ-75 работает как конструкция из двух валов: буква М обозначает «ручная», Т – коробка передач, Х – передний привод, и число 75 характеризует расстояние в миллиметрах между ведущим и ведомым валами.
При нейтральном положении никакое из ведущих колес не контактирует с ведущим или ведомым валом: никакого крутящего момента не передается на дифференциал. Только один конический роликовый подшипник располагает ведущий и ведомый валы со сторон сцепления и коробки передач у соответствующих половинок корпуса коробки передач. Малая шестерня ведомого вала находится в постоянном зацеплении с цилиндрическим зубчатым колесом дифференциала – это деталь ведомого вала. Передаточные шестерни – 1/3 передача и муфта синхронизатора – 1/3 передача располагаются на ведущем валу. Зацепление для передач 1, 2 и обратного хода являются деталями ведомого вала. Передаточные шестерни 1/2/5 и обратный ход располагаются на ведомом валу. Зацепление для 3 и 4 передач, а также малая шестерня ведущего вала являются деталями ведомого вала. Передачи 1–3 имеют двойную синхронизацию. Она состоит из внутреннего синхронизирующего кольца, конусного кольца, наружного синхронизирующего кольца и корпуса синхронизатора. Передаточное колесо не имеет конусной поверхности: синхронизация выполняется с помощью синхронизирующих колец и соединенного кинематическим замыканием с передаточным колесом конусным кольцом. Кроме того, также синхронизируется и обратный ход.
Двойная синхронизация стандарт для первых трех передач
![]() |
|
|
2 — Внутреннее синхронизирующее кольцо, 3 — Конусное кольцо, |
5 — Тело синхронизатора. |
Почему может протекать масло?
При проверке объема смазочного материала, понадобится мерный щуп. На нем расположены специальные мерные обозначения Max и Min. Проверяя объем масла щупом, можно определить, надо ли его доливать или слить для замены. По уровню можно определить, нет ли протечки смазочной жидкости.
Протечка масла в МКПП Форда Мондео может возникнуть по следующим причинам:
- Непригодность сальников;
- Износ валов;
- Ослабление болтов, которые соединяют элементы коробки передач;
- Непригодность уплотнителя.
Низкий уровень смазки приводит к постороннему шуму, избежать который можно, регулярно проверяя масло в коробке передач.
Течь масла, которую водитель может устранить самостоятельно:

- Плохо зажатая гайка на сливе трансмиссии. Достаточно плотно ее зажать.
- Неправильная установка масляного щупа. Перекошенный щуп плохо закрывает канал и при работе масло начинает вытекать. Устранить течь – правильно поставить щуп.
- Не полностью зажат датчик заднего хода. Нужно хорошо датчик подтянуть и масло перестанет течь.
- Избыток масла создает дополнительное давление, что провоцирует течь смазки. Надо слить лишнюю жидкость.
- Течь через крышку указывает на непригодность уплотнительного элемента. Необходимо произвести замену прокладки.
Перечисленные причины, по которым возникает потеря масла, можно легко устранить самостоятельно. Но есть причины течи смазки, которые устранить не всегда удается владельцу машины своими руками быстро.
Утечка масла возникает и по следующим причинам – износ сальников, засоренность каналов отведения избыточного воздуха (чистка сапуна), износ уплотнителя на приводе:
- Долгая эксплуатация сальников приводит в негодность резиновое основание, следовательно, давление жидкости не держится.
- При работе трансмиссии создается избыточное давление, а сапун поддерживает давление на оптимальном уровне.
- Выполнить замену уплотнителя на приводе своими силами невозможно. Для этого необходимо применение специального оборудования, которое можно найти в СТО.
В большинстве случаев течь смазочной жидкости автомобилист может устранить самостоятельно. Для этого достаточно правильно установить причину потери жидкости. Если невозможно устранить течь своими силами, необходимо обратиться к специалистам Станции Технического Обслуживания.
Обслуживание
Трансмиссии концерна Ford имеют высокий показатель надежности. Инженеры рассчитывают, что обслуживание блока не потребуется до полной замены после установленного предела пробега.
Замена заводского масла не требуется. Можно один раз сменить, владелец пользуется определенным брендом или видом масла, но после этого нужно только доливать.
Замена запчастей, полный ремонт или замена отдельных запчастей необходимо при неправильной езде. Агрессивное вождение большая опасность для МКПП. При неправильной эксплуатации понадобится замена деталей.
Чистка при замене коробки или масла. Очищать от грязи нужно, когда трансмиссия перестает работать плавно. Износ при неправильной эксплуатации наступает быстрее, требуется замена деталей, слив масла. Прежде чем проводить ремонт следует все отмыть.
Пошаговая инструкция смены масла в МКПП
Итак, владелец машины обнаружил изменения в качестве масла, или просто набран рекомендуемый километраж. В данных ситуациях должно быть принято решение заменить жидкость в механической коробке передач.
Чтобы не терять времени на поиски инструментов во время выполнения процедуры замены, надо все подготовить до начала смены смазочного материала. В необходимый список инструментов для замены масла в МКПП в Форде Мондео входят:

- Торцевые головки на 8 и 19;
- Набор ключей разных размеров;
- Шприц;
- Емкость для отработанной жидкости;
- Спецодежда и резиновые перчатки, защитные очки;
- Чистая тряпка;
- Новая трансмиссия;
- Смотровая яма или эстакада.
Подготовив нужные инструменты и материалы, можно выполнить слив старого масла с МКПП в Ford Mondeo:
- Прогреть силовой агрегат и коробку передач до рабочей температуры. Прогрев поможет быстрому сливу отработанной смазки;
- Установить машину на смотровую яму или эстакаду;
- Головкой на 19 открутить болты защиты картера при ее наличии;
- Демонтировать крышку, закрывающую механизм коробки передач;
- Ключом открутить заливную пробку;
- Установить емкость для старой жидкости;
- Открутить пробку сливного отверстия;
- Слить отработанный материал;
- Чистой тряпкой вытереть все потеки отработанного масла.
Для того чтобы вся жидкость слилась, надо подождать не менее 15 минут. По истечении указанного времени завернуть пробку. На пробке маслосливного отверстия находится магнит. Его надо тщательно осмотреть и очистить от металлических частиц и загрязнений, прилипших к нему.
На неисправность в механической коробке передач указывают на магните большое количество загрязнений. В этой ситуации необходимо тщательно проверить коробку передач и удалить поломку. Прежде чем залить новое масло, следует произвести очистку коробки передач.
Промывочную смесь заливают, прогоняя ее по всей трансмиссионной системе, включив силовой агрегат на 10 – 15 минут. Отключив двигатель, слить промывку. При необходимости, промывку повторить до появления чистого раствора.
Для завершения всего процесса замены смазочного материала осталось заполнить механическую коробку передач новым маслом, рекомендованным заводом изготовителем автомобиля Форд Мондео. Максимальный объем для МКПП Форд Мондео равен двум литрам смазки.
Пошаговая инструкция залива нового масла:
- Выкрутить пробку маслоналивного отверстия;
- Набрать в масляный шприц жидкость;
- Шприцом залить новую жидкость до нижней кромки данного отверстия. Смазка должна вытекать из маслоналивного отверстия;
- Тряпкой удалить течь масла;
- Завернуть пробку на место;
- Установить на место защиту картера и крышку механизма коробки передач.
Закрепив на место защиту картера, надо проверить в работе автомобиль. Для этого необходимо при передвижении проверить переключение скоростей во всех положениях. По завершении всех этапов процесса замены трансмиссионного материала, следует проверить его уровень. При уменьшении нормы жидкости, необходимо долить новую трансмиссию.
Плюсы механической коробки передач (МКПП):
- Надежность. Механика самая надежная система переключения передач. Автоматика славится удобством, но любая непредвиденная ситуация и вот уже поломка. Механическая используется давно, не собирается уступать место на рынке. Ее потеснили вариаторы, автоматы, но, ни одна компания-производитель не собирается прекращать выпуск автомобилей с ручным переключением.
- Цена. Механика дешевле в производстве, ремонте, замене запчастей. Автомобиль с механикой, будет дешевле, чем с другими видами коробки. Если сравнивать одинаковые автомобили с разницей только в трансмиссиях, то дешевле будет ручное переключение.
- Легко обслуживать. В автосервисе, средний чек на замену масла, шестерней будет ниже. Автоматика сложнее по своей конструкции. Программная часть в современных авто требует навык которыми владеет не каждый механик. Компьютерная диагностика услуга недешевая. МКПП проще из-за отсутствия любой электроники. Ремонтом/техническим обслуживанием может заняться любой человек, который имеет базовые знания.
- Экономия топлива. При замерах расхода топлива, езда на механике потребляет значительно меньше бензина/дизеля.
- Долговечность. При правильной езде, механическая коробка передач служит дольше автомата или гибрида.
- Вождение. Водитель лучше чувствует автомобиль, что положительно сказывается на вождении. Для быстрого набора скорости ручное переключение передач подходит лучше.
- Универсальность. Для буксировки, «раскачки» чтобы выбраться из снега или грязи, других непредвиденных ситуаций МКПП лучший помощник.
Методы профилактики поломок АКПП
Чтобы не менять постоянно контрактную коробку от Ford Mondeo 3 или 4, следуйте правилам эксплуатации коробки. Не отклоняйтесь от регламента замены трансмиссионной жидкости, прогревайте автомат в зимние холода, прежде чем начать езду на нем.

Не забывайте, что масляное голодание плохо сказывается на всей системе АКПП, поэтому проверяйте уровень и доливайте трансмиссионную жидкость в автомат. Не стартуйте резко и не буксируйте машины и свой Форд Мондео.
Тогда АКПП вам прослужит долго. Из ремонта вы будете делать только типовой. Заменять сальники, уплотнители, менять масло.
Передачи для сил тяги
Чтобы из «состояния покоя» без проблем разогнаться, приводным колесам необходим как можно больший крутящий момент. Если вы уже просмотрели кривые мощности, то ниже 1500 об/мин по крайней мере у карбюраторных двигателей с крутящим моментом еще не столь хорошо: с помощью «передачи на тихий ход» первая передача облегчает двигателю стремительный скачок к высоким оборотам и приведение Mondeo в движение. При установке четвертой – и даже пятой – передачи получается, к сожалению, все наоборот: при обеих передачах вступает в силу «передача в быстроту». По сравнению с частотой вращения ведущих колес двигатель вращается на этих передачах неспешно высоко. Другими словами: коробка передач изменяет частоту вращения двигателя ближе к желаемой частоте вращения ведущих колес.
Типичные поломки коробки автомата Ford Mondeo
Давайте рассмотрим первой АКПП 6F35. Первым, что бросится вам в глаза, когда начнете менять масло в этой коробке передач – это пластиковый фильтр. Да, он полностью сделан из пластмассы, но зато имеет двойную мембрану. Поэтому, я рекомендую его менять чаще.

Производитель советует менять трансмиссионную жидкость раз в 100 000 километров пробега. Однако, все зависит от режимов эксплуатации. Я советовал бы делать смену отработки один раз
- на 30 000 километров – частичную;
- на 60000 километров – полную.
Эта коробка, как и многие автоматы не любит горелой смазки, резких стартов, а также езды на непрогретой АКПП. Я советую во время технического обслуживания, если вы сами будете его делать проверять и ремонтироваться следующие части:
- дефектовка и ремонт гидротрансформатора – 1 раз на 150 000 км;
- замена соленоидов и чистка гидроплиты 1 раз на 100 000 км;
- замена всех сальников и уплотнителей;
- смена фрикционов и стальных дисков. При постоянной смене масла, фрикционы отработают 150 тысяч километров без нареканий.
Теперь поговорим о роботизированных автоматах. Надо сказать, что слабое место у роботов – это фрикционное напыление колец сцепление. В наших суровых зимах и в руках новичков автолюбителей, любящих погарцевать, оно страдает больше всего.
А дальше происходит следующее. Эта пыль попадает в масло и превращает его в эмульсию. Эта эмульсия движется по системе АКПП Форд Мондео и оседает на соленоидах, фильтре, клапанах, сбивая настроенную работу всего автомата. Падает давление, коробка перегревается. Трущиеся детали истираются быстрее.
Если вы надумали сделать ремонт АКПП Форд Мондео, то обратите внимание в первую очередь на следующие комплектующие:
- клапаны включения и выключения. Могут люфтить или залипать;
- стирание латунных пятаков и вилок сцепления. На этих коробках их до 4;
- стирание зубьев шестеренок входных и выходных валов;
- сальники и уплотнители очень часто дают течь из-за резких стартов.
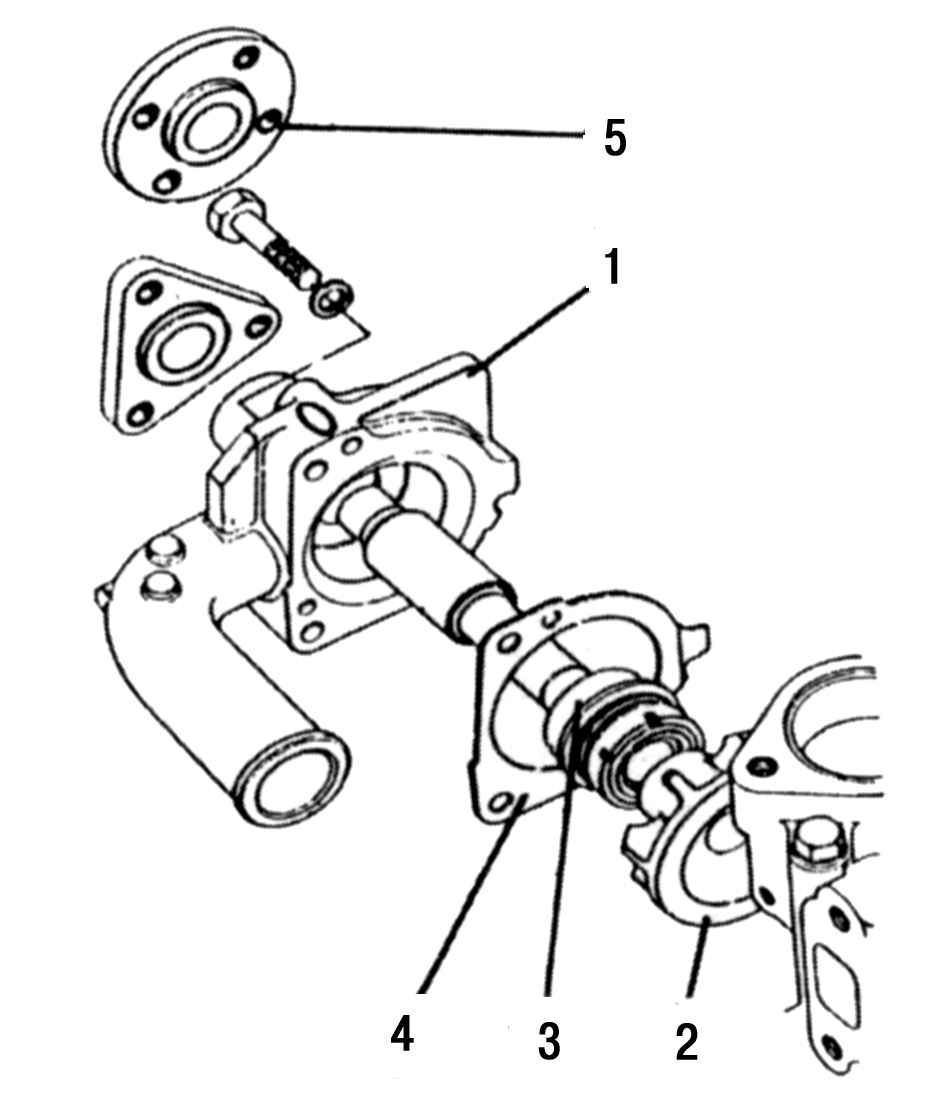
Снятие и установка коробки передач Ford Mondeo
|
Примечание Перед снятием промаркируйте положение подрамника для правильной последующей установки. |
|
Предупреждение При снятии и установке коробка передач должна быть надежно закреплена на домкрате. |
При проведении данной операции необходим помощник.
При снятии коробки передач снимается весь подрамник, а также валы привода колес.
При снятии потребуется устройство для подъема двигателя.
Для снятия коробки передач выполните следующие операции:
— отсоедините аккумуляторную батарею. Связки для кабелей должны быть перерезаны и соответственно заменены новыми при установке;
|
|
Рис. 22. Крепление воздухозаборных труб: 1 — болты крепления, 2 — штепсельная вилка, 3 — штекерная колодка, 4 — хомут, 5 — шланг пониженного давления |
— выверните четыре винта 1 (см.
|
Рис. 168. Расположение проводки коробки передач: 1 — отрицательный провод; 2, 3 — многоконтактные штекеры |
— отсоедините проводку от коробки передач (
|
Рис. 169. Крепление тросика коробки передач: 1 — пружинный зажим; 2 — винты |
— отсоедините тросик переключения (рис. 
|
Рис. 170. Расположение винта крепления переднего упора |
— выверните средний винт, показанный на 
|
Рис. 167. Расположение направляющих штифтов |
— отверните четыре винта крепления подрамника (см. 
|
Рис. 171. Расположение винта крепления заднего упора |
— отверните задний упор (
|
Рис. 172. Снятие левого приводного вала: 1 — маслопровод; 2 — установленный рычаг |
— для снятия вала привода установите рычаг для монтажа шин, как показано на 
|
Рис. 173. Место измерения расстояния «A» |
— вставьте гидротрансформатор в коробку передач. Чтобы обеспечить его нормальную посадку, нужно измерить расстояние от привалочной поверхности коробки передач до цапфы гидротрансформатора. Для этого приложите линейку на поверхность и сделайте замер глубиномером (
|
Рис. 174. Крепление приводного диска на гидротрансформаторе |
— в нижней части коробки передач проверните коленчатый вал и гидротрансформатор так, чтобы можно было вставить первый винт (
|
Рис. 34. Устройство для подъема двигателя и привода при вывешивании двигателя |
— установите подъемное устройство (см. рис. 34);
— приверните левую подвеску двигателя на коробке передач, не затягивая гаек;
— установите правую подвеску двигателя. Гайки не затягивайте;
— установите в коробку передач вал привода колес слева;
— вставьте новое пружинное стопорное кольцо в паз вала, прежде чем вдвинуть конец вала в коробку передач. При установке вала не повредите уплотнительное кольцо;
— на задней стороне приверните маслопровод между коробкой передач и масляным радиатором и затяните моментом 23 Н·м;
— закрепите проводку хомутиком;
— закрепите проводку на передней стороне;
— вдвиньте правый вал привода в коробку передач, приверните упорный подшипник и затяните оба винта 1 моментом 27 Н·м;
— закрепите теплозащитный щиток 2;
— установите задний упор двигателя;
— затяните средний винт от руки;
— установите подрамник, как описано при установке двигателя;
— дальнейшую сборку проводите в последовательности, обратной снятию.
Моменты затяжки соединений, Н·м:
— винты (см. рис. 170 и 171) 120
— крепление к выпускному коллектору 40
— гайки крепления колес 85
Видео про «Снятие и установка коробки передач» для Ford Mondeo
Снятие КПП Форд мондэо3
mondeo mk2 сцепление кпп подрамник
Снимаем МКПП на Форд Фокус 2 для замены выжимного гидроцилиндра. В домашних условиях. ЧАСТЬ 2
Неисправности
КПП может сломаться как любой механизм в машине. Изготовитель дает гарантии на долгий срок эксплуатации, но от поломки застраховать не может. Есть несколько проблем, с которыми может столкнуться любой владелец Ford с механикой.
- Не получается включить передачу. Для того чтобы понять причину поломки нужна диагностика. Причин неисправности несколько: разболталась контргайка муфты/вала, неисправен выжимной подшипник, у сцепления изогнулись лепестки, плохая смазка кольца противовеса. Ремонт: причин поломки много, следует провести диагностику в автосервисе, если владелец не обладает навыками ремонта.Ремонт кпп (коробки) Ford Transit. Оживление кулисы.
- Посторонние шумы при работе двигателя на нейтральной передаче. Звуки могут присутствовать, если разрушились зубья на шестернях, подшипниках на валу. Ремонт: требуется замена.Шумит коробка передач | Определяем причины шума
- При нажатии на педаль газа гудит трансмиссия. Частое явление, когда изнашиваются синхронизаторы. Движущиеся детали нуждаются в хорошей смазке, иначе быстро прикипают. Ремонт: замена масла на качественное, регулярный осмотр, замена деталей.Замена синхронизатора в КПП Форд Фокус 2
- Сложно переключать передачи, и слышен скрежет. Причины: тросы КПП изношены, ослабли пружины синхронизаторов или повреждены конусы, неправильная регулировка (воздух попал в гидросистему), неправильный выбор жидкости для коробки. Ремонт: придется разбирать трансмиссию, искать источник проблемы.Плохое переключение передач Ford Fusion , Focus , Fiesta , очистка механизма
- Передачи выбивает. Неисправны: вилка включения, венец шестерни/синхронизатора, пружины фиксатора. Ремонт: разобрать блок, заменить вилки включения.Установка вилок сцепление на форд фокус 3
- Течет масло. Нарушение герметичности в гидросистеме из-за повреждения уплотнительных колец, разрушение сальников. Ремонт: сменить жидкость, тросы. Если неисправность не устранена — демонтаж трансмиссии, прокачка гидропривода.Замена троса сцепления
При навыках в ремонте автомобилей, любой ремонт можно произвести своими руками.




















































