Описание двигателя
Агрегат относится к дизельным четырёх цилиндровым моторам, блок цилиндров установки усиленный, выполнен из чугуна, объём двигателя Д240 составляет 4.75 литров. Силовая установка атмосферная, отличается повышенной надёжностью и простотой конструкции. Ремонтируется мотор легко, процедура возможна даже в полевых условиях.
Поскольку силовая установка дизельная, подача топлива, это впрыск, мотор обеспечен нужной тягой и достаточной мощностью. К тому же двигатель Д240 крутящий момент составляет 28 кгс*м, чего хватает для выполнения большинства поставленных задач. Процесс запуска силовой установки Д240 происходит при помощи электрического стартера, модификация Д240Л оборудована пусковым двигателем, что помогает облегчить запуск главного агрегата в холодное время года.
Конструктивным решением было применение на силовом агрегате рабочей камеры нераздельного типа. Кроме того, впрыск топлива двойной, с образованием паров рабочей жидкости по объёму и распределением горючего в виде плёнки по цилиндру и поршню. Благодаря решению, удаётся получить эффект, используя ресурс мотора и реализовать потенциал. Таким образом, динамические характеристики агрегата выше, что делает возможным справляться мотору с большим количеством поставленных целей.
Рабочую камеру, с целью улучшения смесеобразования, конструкторы выполнили в виде шара, это образовывает внутри камеры вихревые потоки и использует выделяемое тепло с эффектом. Силовая установка вырабатывает 80 лошадиных сил при 2200 мин-1 оборотах коленчатого вала. Такие показатели гарантируют тягу в диапазоне оборотов.
Избегать температурных деформаций блоку цилиндров силового агрегата помогает высокопрочный серый чугун. Материал сделал мотор тяжелым, масса двигателя Д240 составляет 430кг, это себя оправдало, поскольку у мотора нет болезней, присущих аналогичным механизмам.
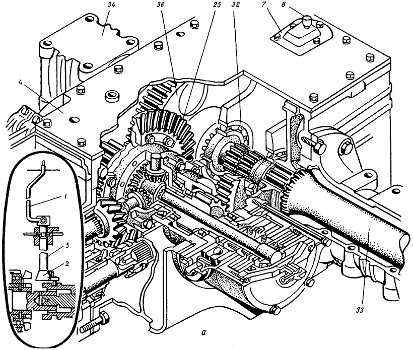
Силовой агрегат Д240:
Масляная система двигателя камаз
Смазочная система двигателя КАМАЗ-740 1. Изучите по плакату и на двигателе компоновку и работу смазочной системы. По плакату изучите схему смазывания двигателя.
2. Система смазки (рис. 2.25) двигателя смешанная, с мокрым картером. Масло под давлением подается к коренным и шатунным подшипникам коленчатого вала, к подшипникам распределительного вала, втулкам коромысел, топливному насосу высокого давления, компрессору. Предусмотрена пульсирующая подача масла к сферическим опорам штанг и толкателей.
Из поддона 14 масло через маслоприемник засасывается в секции 9 и 10 масляного насоса. Через канал в правой стенке блока цилиндров масло из секции 9 поступает в корпус полнопоточного фильтра 7, где оно очищается, проходя через два фильтрующих элемента. Из фильтра масло поступает в главную масляную магистраль 6, расположенную в правой стенке картера блока цилиндров. Из главной масляной магистрали масло по каналам в перегородках блока цилиндров поступает к коренным подшипникам коленчатого вала, подшипникам распределительного вала, втулкам коромысел и по каналу в штангах клапанов к толкателям. К шатунным подшипникам коленчатого вала масло подается по каналам в коленчатом валу от ближайшей коренной шейки. Масло, снимаемое со стенок цилиндра маслосъемным кольцом, через отверстия в канавке кольца отводится внутрь поршня и смазывает опоры поршневого пальца в бобышках поршня и в верхней головке шатуна.
Из канала в задней стенке блока цилиндров масло поступает по трубке для смазки подшипников компрессора 19. Из канала в передней стенке блока цилиндров производится отбор масла для
смазки подшипников топливного насоса 18 высокого давления. Из главной масляной магистрали масло под давлением подается к термосиловому датчику 16, который расположен в переднем тор-це блока цилиндров и управляет работой гидромуфты 15 привода вентилятора в зависимости от температуры охлаждающей жидкости в системе охлаждения двигателя. Остальные детали и узлы двигателя смазываются разбрызгиванием и масляным туманом.
Масло из радиаторной секции 10 поступает к фильтру 1 центробежной очистки, затем в радиатор 12, а из него сливается в поддон 14. При закрытии крана 2 масло из центрифуги сливается в поддон двигателя через сливной клапан 4.
Предохранительный клапан 12, встроенный в корпус радиаторной секции, отрегулирован на давление 8.8,5 кгс/см и перепускает масло из нагнетающей во всасывающую полость.
Предохранительный клапан 9, встроенный одновременно в корпус 6 радиаторной и корпус 2 нагнетающей секций, отрегулирован на давление 8.8,5 кгс/см и также перепускает масло из нагнетающей во всасывающую полость.
Масляный насос крепится к передней перегородке нижней плоскости блока цилиндров и приводится во вращение от шестерни коленчатого вала.
Поддон картера прикреплен к блоку цилиндров болтами с пружинными шайбами. Между поддоном и блоком установлена резинопробковая прокладка толщиной 2,5 мм, обеспечивающая герметичность соединения. Масло заливается через горловину, установленную в задней части блока с правой стороны. Количество масла в поддоне замеряется указателем уровня масла, на стержне которого нанесены метки «В» и «Н».
Полнопоточный фильтр (рис. 2.27) очистки масла прикреплен тремя болтами к правой стенке блока цилиндров.
При увеличении сопротивления фильтра (при низкой температуре масла или засорении фильтрующих элементов) масло поступает в главную магистраль, минуя фильтрующие элементы, через перепускной клапан. Клапан открывается, когда разность давлений до и после фильтрующих элементов достигает 2,5.3 кгс/см2.
Нагнетаемое радиаторной секцией масло по каналу в корпусе 6 подается к соплу в оси 9 ротора. Ротор 8 приводится во вращение турбиной, на лопатки которой воздействует масло, поступающее под давлением из сопла. Турбина расположена в расточке нижней части ротора.
Ротор вращается на упорном подшипнике, который устанавливается между упорной шайбой и распорной втулкой ротора, и закрепляется гайками. При выбросе масла из сопла оси 9 на лопатки турбины ротор приподнимается вверх и прижимает подшипник к упорной шайбе.
Колпак 5 ротора фиксируется штифтом в верхней части ротора и закрепляется гайкой 4. В выточке диска ротора установлено резиновое кольцо, уплотняющее колпак ротора.
Колпак 3 фильтра уплотняется в корпусе прокладкой и закрепляется на оси 9 гайкой 1. При снятии колпака 3 пластина 7 отжимается прижимами, при этом пальцы входят в отверстия диска ротора. Тем самым происходит стопорение ротора, что облегчает демонтаж колпака ротора для его очистки.
Компоненты агрегата
Нормальное функционирование агрегата обусловлено комплексной работой компонентов.
Компоненты снижения избыточной температуры агрегата.Силовой агрегат, при превышении температурой установленных норм, с целью снижения показателей, применяет жидкость. Циркуляция вещества происходит в замкнутом пространстве, сообщение с атмосферой происходит посредством предохранителя.
Составляющие:
- теплообменник, насос для жидкости;
- термический регулятор;
- лопасти крыльчатки, охлаждающие полости установки, трубки, подводящие и отводящие жидкость охлаждения.
Система охлаждения дизеля Д240:

Система смазки двигателя Д240.Силовой агрегат применяет смазку с одним контуром. Смазка деталей происходит комбинацией, одни детали двигателя получают смазку посредством принудительного распыления, другие самотёком и масляным туманом.
Составляющие:
- механизм забора масла из нижней части агрегата;
- помпа, подающая смазку;
- механизм центробежной очистки масла;
- теплообменник, терморегулятор, механизмы, приводящие в действие помпу.
Система смазки дизеля Д240:

Компоненты, обеспечивающие подачу горючего.Силовая установка оснащена компонентами, которые представляют собой скопление механизмов и устройств, обеспечивающих бесперебойную подачу горючего и отвод сгоревшего материала.
Устройство двигателей тракторов МТЗ: МТЗ-80, МТЗ-82 и МТЗ-80Л, МТЗ-82Л
На тракторах МТЗ-80, МТЗ-82 и МТЗ-80Л, МТЗ-82Л установлен четырехцилиндровый четырехтактный дизельный двигатель номинальной мощностью 80 л. с.: соответственно Д-240 (с электростартером) и Д-240Л (с пусковым двигателем).
В двигателе применена неразделенная камера сгорания с объемно-пленочным смесеобразованием. Часть впрыскнутого топлива распиливается в объеме камеры сгорания, а другая растекается по ее поверхности, образуя тонкую пленку. Первая часть топлива интенсивно перемешивается с потоком сжатого нагревшегося воздуха, активно испаряется и сгорает: происходит процесс так называемого предварительного воспламенения топлива. Камере сгорания придана шатровая форма, которая способствует созданию завихрений воздушного потока и лучшему перемешиванию топлива и воздуха. Вторая часть топлива (в виде пленки) испаряется с внутренней стороны, нагреваясь от стенки камеры сгорания, и с наружной, соприкасаясь с потоком сжатого нагревшегося воздуха (последующее воспламенение топлива). Постепенно развивающийся процесс сгорания топлива создает условия для экономичной и, как говорят, мягкой работы двигателя, которая характеризуется плавно нарастающими нагрузками на кривошипно-шатунный механизм.
Рис. Схема камеры сгорания: 1 — форсунка; 2 — головка блока; 3 — гильза; 4 — поршень; 5 — камера сгорания.
Рис. Двигатель Д-240: а — вид справа; б — вид слева: 1 — поддон блок-картера; 2 — задний лист; 3 — венец маховика; 4 — маслозаливная горловина; 5 — фильтр грубой очистки топлива; 6 — воздухоочиститель; 7 — выпускной коллектор; 8 — головка блока цилиндров; 9 — электрофакельный подогреватель; 10 — генератор; 11 — корпус термостата; 12 — вентилятор; 13 — водяной насос; 14 — ремень вентилятора; 15 — передняя опора; 16 — блок-картер; 17 — центробежный масляный фильтр: 18 — сапун; 19 — масломерная линейка; 20 — топливный насос; 21 — форсунка; 22 — механизм аварийного останова; 23 — впускной коллектор; 24 — фильтр тонкой очистки топлива; 25 — стартер.
Рис. Двигатель Д-240Л (вид слева): 1 — воздухоочиститель пускового двигателя; 2 — пусковой двигатель; 3 — стартер пускового двигателя; 4 — редуктор пускового двигателя (остальные детали такие же, как у двигателя Д-240 на рисунке выше).
На рисунке а и б показан общий вид двигателя Д-240, а на рисунке 5 — общий вид двигателя Д-240Л. Эти рисунки не только дают представление о внешнем виде двигателя, но и позволяют ознакомиться с взаимным расположением его основных и вспомогательных узлов, механизмов и устройств.
Как и всякий дизель, двигатель Д-240 (Д-240Л) состоит из ряда механизмов и систем. Главные из них кривошипно-шатунный и газораспределительный механизмы и системы смазки, охлаждения, питания и пуска.
Кривошипно-шатунный механизм служит для преобразования прямолинейного возвратно-поступательного движения поршня во вращательное движение коленчатого вала.
Механизм газораспределения предназначен для впуска в цилиндр порций воздуха и выпуска из него отработавших газов в строго определенные моменты и промежутки времени.
Система смазки служит для подвода смазочных материалов к трущимся деталям с целью уменьшения трения между ними, а также частичного отбора тепла.
Система охлаждения необходима для поддержания нормального теплового режима двигателя. В дизельных двигателях применяется жидкостная (обычно водяная) система охлаждения.
Система питания предназначена для точно дозированной и своевременной подачи топлива в цилиндры двигателя.
Система пуска служит для запуска двигателя.
На рисунке ниже (а и б) показаны разрезы двигателя Д-240 (Д-240Л), которые позволяют ознакомиться с его общим устройством, рассмотреть его основные механизмы, узлы и системы.
Рис. Двигатель Д-240 (Д-240Л): а — продольный разрез; б — поперечный разрез: 1 — коленчатый вал; 2 — масляный картер; 3 — приемник масляного насоса; 4 — масляный насос; 5 — амортизатор; 6 — вентилятор; 7 — водяной насос; 8 — поршневой палец; 9 — поршень; 10 — клапан; 11 — валик коромысел; 12 — воздухоочиститель; 13 — штанга; 14 — маховик; 15 — распределительный вал; 16 — шатун; 17 — гильза; 18 — масляный фильтр; 19 — фильтр грубой очистки топлива; 20 — выпускной коллектор; 21 — головка; 22 — крышка головки; 23 — колпак крышки; 24 — электрофакельный подогреватель; 25 — впускной коллектор; 26 — форсунка; 27 — фильтр тонкой очистки топлива; 28 — топливный насос.
Основные заправочные объемы МТЗ 82 и МТЗ 80
В первую очередь трактористу необходимо знать, сколько топлива может вместиться в топливный бак и сколько масла в МТЗ 82 в двигателе. Объем топливного бака 120 литров. Но они не единственные. Имеется еще бак пускового двигателя ПД-10. В него вмещается 1,9 литров.
Дополнительный карбюраторный двигатель необходим для пуска двигателя. Он обеспечивает легкий старт даже в сложных условиях при низкой температуре. Он состоит из одноступенчатого редуктора и электрического стартера с подогревателем.

МТЗ 82 может оснащаться одним из двух силовых агрегатов: Д240 и Д240Л. Что касаемо заправочных объемов, то разница между ними лишь в том, что Д240 имеет 20-литровую охлаждающую систему, а Д240Л – 22-литровую.
Заправочные емкости МТЗ 82:
- Объем картера моторного масла – 15л.
- Корпус трансмиссии, с учетом коробки передач и заднего моста – 40 л.
- Передний ведущий мост – 1,7 л.
- Колесный редуктор ПМ – 1,7 л. каждый.
- Верхняя коническая пара колесных редукторов переднего моста – по 0,3 каждый.
- Гидроусилитель руля – 6 л.
- Топливный насос – 0,2 л.
- Пусковой двигатель, редуктор – 0,4 л.
Надежность, проблемы и ремонт ММЗ Д-243
Производство дизеля Д243 на заводе в Минске было начато в 1974 году, и это был рядный 4-х цилиндровый мотор. Здесь применен чугунный блок цилиндров с мокрыми гильзами из чугуна, внутри этого блока стоит стальной коленвал с ходом поршня 125 мм, с коренными шейками 75.25 мм и с шатунными шейками 68.25 мм. Шатуны стальные длинной 230 мм, поршни алюминиевые диаметром 110 мм с поршневыми пальцами диаметром 38 мм. Это обеспечивает рабочий объем 4.75 литра. Давление масла на ММЗ Д-243 должно находиться в диапазоне 2.5-3.5 кгс/см 2 .
Сверху блока установлена чугунная головка с 2-мя клапанами на цилиндр. Диаметр впускных клапанов 48 мм, а выпускных 42 мм, толщина ножки — 11 мм. Это нижневальный мотор, соответственно, распредвал находится в блоке и приводит клапана в движение через толкатели, штанги и коромысла. Каждые 500 часов работы нужно проверять и регулировать клапаны. Зазоры клапанов следующие: впуск и выпуск — 0.25 мм. Порядок регулировки клапанов совпадает с порядком работы — 1-3-4-2.
Для этих моторов идет топливный насос 4УТНИ. На основе 243-го был создан известнейший турбодизель Д-245.
Модификации Д-243 и их отличия
1. Д-243 — обычная версия мощностью 81 л.с. 2. Д-243Л — такой же Д-243, но с другим выпускным коллектором. 3. Д-243.1 — мотор мощностью 83 л.с. 3. Д-243.2 — версия для шахтных автомобилей мощностью 60 л.с.
Неисправности Д-243
Это простой мотор без наддува и дополнительной электроники и, соответственно, он не имеет множества проблем присущих турбированным дизелям Д-245. В любом случае, возраст берет свое и, если у вас имеются проблемы с дымностью, а также с прочей радостью, тогда здесь расписаны причины их возникновения.
Выбор масла для трактора
Тракторы МТЗ известны своей неприхотливостью, и у многих владельцев возникает вопрос, так ли важно следить, какое масло заливать? В советское время вообще не было разнообразия смазочных и других технических жидкостей, и доступны они были не всегда, заливали то, что удалось достать. Может, и сейчас так можно? Разберемся, какие виды смазки бывают и чем они различаются
А также сколько масла заливать в двигатель МТЗ 82 и как проверить его уровень.
Во-первых, смазочные материалы делятся на моторные, трансмиссионные и различные твердые смазки (солидол, литол). Во-вторых, моторные масла бывают синтетическими, минеральными и смешанными. Кроме того, материалы различаются по сезонности: летние и зимние. Они имеют различные показатели вязкости, температурной стабильности и пр.
В современных двигателях смазка является гидравлической жидкостью для всех компонентов. Она защищает детали и поверхности трения от сухого трения, образуя на них устойчивую масляную пленку. Кроме того, эта пленка обеспечивает защиту от ржавчины, а также сводит к минимуму воздействие на детали различных химически активных компонентов, которые неизбежно образуются при работе двигателя.
Следовательно, основными функциями современной смазки являются следующие:
- защита деталей от сухого трения и преждевременного износа;
- снижение потерь на трение;
- защита от коррозии;
- охлаждение трущихся поверхностей и отведение тепла, неизбежно образующегося в процессе работы;
- удаление продуктов механического износа (металлической стружки).
Наиболее частые поломки моделей
К типичным неисправностям тракторных двигателей относят:
- Воздух в ТС. Для устранения проблемы ее прокачивают помпой ручной подкачки, устраняют подсос.
- Неполадки и дефекты ТС. Снимают насос и отправляют на СТО для диагностики и ремонта.
- Отсутствие тяги. Ремонтируют ТС — регулировка насоса, замена фильтра при засорении, промывка распылителей, очистка сопла, проверка воздухоочистителя, турбокомпрессора, р егулировка зазоров газораспределительного механизма.
- Появление черного дыма. Возможные причины — засорение воздухоочистителя, неисправность насоса подачи топлива и форсунок, неправильная регулировка тепловых зазоров механизма газораспределения. Производят ТО или замену элементов и соответствующие регулировки.
- Появление белого дыма. Причина- попадание в камеру сгорания двигателя охлаждающей жидкости. Неисправность — пробита прокладка между блоком двигателя и головкой газораспределения. Устранение — демонтаж головки и замена прокладки.
- Закипание охлаждающей радиаторной жидкости. Производят очистку радиатора и водяной рубашки блока цилиндров от накипи , регулируют натяжение ремня вентилятора .
Для предупреждения выше перечисленных неисправностей дизельного агрегата, необходимо производить своевременное ТО, придерживаться правил эксплуатации и обслуживания двигателя, установленных заводом производителем.
Устройство ТНВД для МТЗ — 80, 82
УТН — 5, как называется топливный насос для белорусской марки тракторов, изготавливается из прочного сплава алюминия и выпускается в двух возможных вариантах установки — левом и правом, в зависимости от конструктивных особенностей крепления фланца. По всему корпусу он разделён на две полостные части специальной перегородкой, где в нижней полости находится вал с приводом насоса, а в верхней отдельные секции этого насоса.
Полное детальное устройство топливного насоса высокого давления двигателя Д-240 вы можете прочитать далее
![]()
Топливный насос с регулятором:
1 — нажимной штуцер; 2 — зажимы; 3 — пружина; 4 — нагнетательный клапан; 5 — седло клапана; 6 — прокладка; 7 — втулка плунжера; 8 — плунжер; 9 — пробка; 10 — зубчатый венец; 11 — поворотная втулка; 12 — крышка регулятора; 13 — тяга рейки; 14 — рычаг пружины; 15 — пружина регулятора; 16 — пружина обогатителя; 17 — основной рычаг; 18 — корпус корректора; 19 — шток корректора; 20 — винт регулировочный; 21 -промежуточный рычаг; 22 — болт номинала; 23 — болт; 24 — корпус регулятора; 25 — ось груза; 26 — пята; 27 — муфта; 28 — ось пяты; 29 — ось рычага; 30 — грузы регулятора; 31 — упорные шарикоподшипники; 32 — спускная пробка; 33 — ступица грузов; 34 — сухарь амортизатора; 35 — шайба; 36 — стакан подшипника; 37 — маслоотражатель; 38 — рычаг управления; 39 — кулачковый вал; 40 — заглушка; 41 — эксцентрик привода подкачивающего насоса; 42 — фланец для крепления подкачивающего насоса; 43 — регулировочная шайба; 44 — плита крепления; 45 — корпус насоса; 46 — маслоподводящее отверстие; 47 — гайка валика; 48 — шлицевая втулка; 49 — установочный фланец; 50 — толкатель с роликом; 51 — регулировочный болт толкателя; 52 — тарелка пружины (нижняя); 53 — пружина плунжера; 54 — тарелка пружины; 55 — зубчатая рейка; 56 — болт для спуска воздуха; 57 — канал для отвода топлива; 58 — перепускная трубка; 59 — корпус перепускного клапана; 60 — пробка; 61 — шарик-клапан; 62 — отверстие для подвода топлива; 63 — канал для подвода топлива; 64 — отсечное отверстие; 65 — впускное отверстие втулки плунжера; 66 — штифт; 67 — крышка люка; 68 — регулировочный винт; 69 — прокладка; 70 — заливная пробка; 71 — регулировочный винт; 72 — пружина корректора; 73 — стяжной винт.
Здесь же, вы можете увидеть всю топливную систему белорусского трактора целиком:
![]()
Система питания дизеля (схема):
1 — глушитель; 2 — воздухоочиститель; 3 — фильтр грубой очистки воздуха; 4 — впускной коллектор; 5 — электрофакельный подогреватель; 6 — топливный бачок электрофакельного подогревателя; 7 — дренажная трубка; 8 — трубка высокого давления; 9 — заливная горловина; 10 — топливные баки; 11 — сливной кран; 12 — трубка топлива; 13 — фильтр грубой очистки топлива; 14 — фильтр тонкой очистки топлива; 15 — трубка от фильтра тонкой очистки к топливному насосу; 16 — трубка от фильтра-отстойника к топливному насосу; 17 — регулятор топливного насоса; 18 — топливная трубка от подкачивающего насоса к фильтру тонкой очистки; 19 — подкачивающий насос; 20 — перепускная трубка; 21 — топливный насос; 22 — форсунка; 23 — выхлопной коллектор; 24 — нижний фильтрующий элемент; 25 — средний фильтрующий элемент; 26 — верхний фильтрующий элемент.
В верхней полостной точке УТН — 5 двигателей Д-240 расположены два продольных канала, образующих собой каре, один конец которого к фильтру тонкой очистки топлива, а другой, соответственно, к самой подкачке в насосе, где в штуцере вмонтирован пропускной клапан.
Таблица смазки
Капитальный ремонт коробки передач МТЗ следует производить в специально оборудованных мастерских оборудованных емкостями для слива горюче-смазочных материалов, подъемным оборудованием, специальными стендами и приспособлениями для разборки и сборки КПП. Поэтому нужно периодически проверять положение тяги относительно стойки.
В связи с этим использование сезонного масла в наших широтах невыгодно с экономической точки зрения и рекомендуется заменять его на всесезонное.
Корпус трансмиссии, с учетом коробки передач и заднего моста — 40 л.
Стойка, фиксирующая положение тяги управления, закреплена на полу, который при деформации амортизаторов может вместе с кабиной перемещаться в небольших пределах относительно остова трактора. Десятки моделей МТЗ различаются по своему дизайну, способам установки навесных агрегатов и машин, передаточным числам трансмиссии, способу запуска двигателя пусковой двигатель или электрический стартер , величине агрегатного просвета и другим характеристикам.
Коробка передач трактора МТЗ и его модификаций была и остается достаточно надежным узлом. Вывинтите контрольно-заливные пробки показаны стрелками и сливные пробки 1, 2, 3 из корпусов колесных редукторов, главной передачи и промежуточной опоры и слейте масло в специальную емкость для отработанного масла. Каждая пресс-масленка требует определенного количества смазки.
Замену масла производите сразу после работы трактора, когда масло прогрето. Трактор может быть выполнен в виде тягача или самоходного шасси с кузовом на раме для перевозки грузов. Включите стояночный тормоз и заблокируйте колеса клиньями с обеих сторон. Он заполняется маслом и при помощи нагнетательного винта оно проходит по засоренным каналам и прочищает их.
Уход за задним мостом трактора МТЗ-82/80
Для регулировки осевого зазора в конических подшипниках вторичного вала отсоединяют коробкупередач от заднего моста, отворачивают болты крепления и выпрессовывают стакан подшипника вторичного вала. Двигатель должен быть заглушен. К моменту создания трактора МТЗ инженерный состав и коллектив завода имел достаточно большой опыт по проектированию и сборке тракторов различного типа и назначения. Заглушите дизель. На тракторе с системой запуска от пускового двигателя нужно блокировочное устройство, предотвращающее запуск при включенной передаче.
Поврежденная резьба, куда была помещена масленка, ремонтируется метчиком. В данной ситуации смазочная жидкость имеет давление от 80 до МПа. Трактор МТЗ 82 Обслуживание переднего ведущего моста
Регулировка коррекции подачи топлива тнвд т-40
Увеличение подачи топлива, допустимое для обеспечения необходимого запаса момента дизеля при конкретной частоте вращения коленвала, зависит от того, насколько выступает шток корректора относительно корпуса, натяжения и жесткости пружины. Ход штока регулируют количеством прокладок под штоком; ход должен составлять 0,38—0,65 мм. Предварительное натяжение пружины, составляющее 3 Н (0,3 кгс) регулируется при помощи винта корректора. При уменьшении натяжения пружины и увеличения хода штока подача топлива увеличивается и наоборот. Корректор можно регулировать при работающем топливном насосе на безмоторном стенде.
Похожие посты
На 1221 снял термостат греется двигатель надо ли глушить канал малого круга, если надо то как?
МТЗМТЗ 1221ТермостатСнятьГреетсяДвигательнадо лизаглушитьканалМалый кругКак
Почему на Мтз двигатель д240 на холодную давление 3.5, а как нагреется – пропадает?
Добрый день друзья подскажите пожалуйста Мтз двигатель д240 на холодную давления 3.5 а как на греется пропадает в обще нету в чем причина????Спасибо заранее.
МТЗДвигательДвигатель Д-240д-240ДавлениеПропалоНа горячуюЗапуск на холоднуюНагреется
Мужики всем привет. Появилась сегодня проблема с мтз 50, двигатель д 240. При транспортировке двух прицепов с дровами в глушитель начел появляться звук напоминающий турбину. После этого двигатель плавно потерял в тяге и начал сильно дымить, при этом характерный запах не догоревшей солярки. Такой как плеснуть дизеля в костёр. В чем косяк. 1 прогорел клапан. 2 тнвд и форсунки.Спасибо заранее за ответы.
МТЗ 50МТЗПропалаТягаЗвукГлушительТурбинад-240ДвигательДвигатель Д-240
День добрый мужики подскажите трактор мтз 50 мотор д 240 не могу подобрать шкив коленвала видите какой зазор может кто сталкивался с такой проблемой.Спасибо заранее.
МТЗМТЗ 50моторДвигательДвигатель Д-240д-240ШкивКоленвалПодобратьЗазорПроблемаРешить
Добрый день, начал сапунить двигатель д260.2 трактор МТЗ 1221, расхода масла нет, в системе охлаждения залита вода подскажите куда копать, кто с этим сталкивался?
СапунитДвигательДвигатель Д-260Д-260.2МТЗМТЗ 1221РасходРасход масланетСистема охлажденияВодаПочему
Почему на мтз 1221 двигатель д-260.2 появился вроде стука в воздушный фильтр?
Доброго времени суток, коллеги. На мтз 1221 двигатель д-260.2 появился вроде стука в воздушный фильтр. Он был и раньше, но сейчас стал сильнее. Может кто подскажет в чем проблема? Или кто то сталкивался с таким?Благодарю за ответы.
МТЗМТЗ 1221ДвигательДвигатель Д-260СтукВоздушный фильтрФильтр
добрый вечер коллеги, застучал мотор на мтз 1221, пррточили вал под н2 собрали мотор поставили новый насос масляный запустили двигатель, пороботпл он ми6ут 10 и начался опять стук, подскажите в чем проблема куда копать? Может кто то сталкивался с таким? Буду очень блогадарен
ЗастучалСтукДвигательмоторМТЗМТЗ 1221ВалПроточкаНасосНовый насосМасляный насосЗапускН-2
Привет всем,у меня такая проблема,на Мтз 82.1 двигатель 240 выкидывает антифриз с крышки радиатора,не сразу а по тихоньку ,меняли поршневую,меняли помпу и термостат,радиатор чистый,но при этом двигатель не греется держится рабочая темперература 75-85,мне кажется в головке трещинка или головка прокладка,если головка прокладка то она при нагрузке должна греться и выкидывать резко антифриз и мне не в ней проблема кажется ,как возможно проверить головку ,подскажите пожалуйста ,всем добра
МТЗМТЗ 82.1ДвигательДвигатель Д-240д-240АнтифризКрышкарадиаторПоменятьПоршневаяПомпаТермостатНе греется
Марки и заправочный объем
При выполнении технического обслуживания не следует руководствоваться данными таблицы объемов емкостей, т.к. в большинстве случаев объем заправляемой жидкости меньше.

Расчет объема смазывающе-охлаждающих жидкостей (СОЖ) выполняется с учетом обеспечения требуемого режима агрегатов, а объем предназначенных для них емкостей учитывает нагрев и температурные расширения при работе, объем соединяющих агрегаты и емкости трактов и магистралей, способ применения СОЖ.
Например, для комбинированной смазки деталей двигателя используется заливаемое в картер двигателя масло. К трущимся поверхностям (шейки коленчатого и распределительного вала, втулки промежуточной шестерни и шестерни топливного насоса) оно подается под давлением непрерывно, клапанный механизм смазывается под пульсирующим давлением, остальные детали смазываются разбрызгиванием.
Количество заправляемых материалов и их марка должны соответствовать указанному в техническом руководстве на трактор, с учетом времени года и температуры воздуха.
Допускается применение марки масел М-10Г2К и М-10Г2 с аналогичными характеристиками. Объем заливки в картер двигателя составляет 12 л.
Для смазки топливного насоса четырехплунжерного и воздухоочистителя также применяется моторное масло перечисленных марок. Объем заправки для первого составляет 0,25, для второго — 1,5 л.
При низких температурах — от -40°С и ниже — допускается разбавление масла на 15% дизельным топливом для смазки топливного насоса.
Картеры механизмов силовой передачи заправляются полностью, для плановой замены требуется 40 л трансмиссионного масла марок ТАп-15В, ТСп-10, ТСп-15К или ТАД-17. Эти же марки используют для колесного редуктора, верхней конической пары, опоры привода и приводного шкива, эти механизмы также заполняются в полном объеме.
К силовой передаче относится и понижающий редуктор, выполненный в одном корпусе с механизмом сцепления. Сухое сцепление фрикционного типа установлено в сухом отсеке корпуса, смазка в устройстве механизма сцепления требуется только для выжимного подшипника, для этого применяют солидол или ЛИТОЛ-24. Попадание масла из отсека понижающего редуктора в сухой отсек недопустимо.
Для узлов гидросистемы и гидроусилителя руля применяются марки моторного масла:
Смазка подшипников многих узлов — втулок, шарниров, ступиц, опоры карданной передачи и других — выполняется пластичными консистентными смазочными материалами ЛИТОЛ-24, солидол или LCP-GM. Эти материалы заливают с помощью специального шприца через тавотницы.
Замена производится каждый мч.
При наличии люфта разберите шарнир и проверьте состояние подшипников и крестовин, изношенные детали замените. 
На их цилиндрических поверхностях появляются грани. При удалении части прокладок зазор между шестернями уменьшается, а при добавлении прокладок — увеличивается.
Пример обозначения моторного масла: МГж.
При замене в процессе эксплуатации деталей — трубы с вилками шарнира и фланца — вал в сборе с двумя шарнирами заново балансируйте динамически приваркой пластин на обоих концах трубы. Знайте, что в переднем мосту МТЗ изношены детали шарниров равных угловых скоростей приводов передних колес. В этом случае заменить резинотехнические изделия и восстановить уровень масла. Затем заменить подшипники дифференциала, шестерни, либо отремонтировать или заменить редуктор.
Заливается моторное масло в горловину, рассположеную справа двигателя ближе к кабине трактора МТЗ. Для нормальной работы раздаточной коробки при заблокированной муфте свободного хода упор тяги должен заходить в верхний паз стойки.
Заливная расположена ближе к передней части корпуса, по высоте почти по середине. Сливная находится на нижней части корпуса посередине. Уровень масла в коробке передач трактора МТЗ 892
Таблица смазки
| № позиции на схеме ТО | Наименование точек смазки | Наименование, марка и обозначение стандарта на смазочные материалы и жидкости | Кол-во точек смазки | Периодичность смазки, мтч | ||||
| Смазка при эксплу-атации при температуре | Заправка при эксплу-атации, л | Смазка при хранении (до 6 мес.) | основные | заменители | ||||
| от -40°С до +5°С | от +5°С до +50°С | |||||||
| 21 | Картер дизеля | Масло моторное: Основное | ||||||
| М-8ДМ ГОСТ 8581-78 | М-10ДМ ГОСТ 8581-78 | 12,0 | 12,0 | 1 | 500 | |||
| Дублирующее | ||||||||
| М-8Г2К ГОСТ 8581-78 | М-10Г2К ГОСТ 8581-78, | 250 | ||||||
| М-10Г2 модернизированное ТУ 38.401-58-169-96 | 500 | |||||||
| 27 | Топливный насос | Масло моторное, то же, что в картер дизеля | 0,25* | -//- | 1 | При установке нового или отремонтированного насоса | ||
| 37 | Поддон воздухоочистителя | Предварительно отстоявшееся и профильтрованное отработанное моторное масло | 1,5 | 1.5 | 1 | 500 | ||
| 22 | Корпус силовой передачи | Основное | 1 | При проведении сезонного ТО | ||||
| Масло трансмиссионное ТАп-15В; ТСп-10; ТСп-15К ГОСТ23652-79 | 40 | 40 | ||||||
| Дублирующее | ||||||||
| Масло трансмиссионное ТАД-17и ГОСТ23652-79 | ||||||||
| 11 | Корпус колесного редуктора (Беларус 82Р) | Тоже | То же | 3,7 | 3,7 | 2 | Тоже | Тоже |
| 24 | Корпус колесного редуктора ПВМ | -//- | -//- | 1,8 (2,0)** | 1,8(2,0)** | 2 | -//- | -//- |
| 24 | Корпус ПВМ | Тоже | То же | 1,6 (3,7)** | 1,6 (3,7)** | 1 | -//- | -//- |
| 24 | Корпус верхней конической пары ПВМ (82.1) | -//- | -//- | 0,25 | 0,25 | 2 | -//- | |
| 24 | Промежуточная опора привода ПВМ | -//- | -//- | 0,15 | 0,15 | 1 | -//- | |
| Приводной шкив | -II- | -II- | 0,50 | 0,50 | 1 | -//- | ||
| 26 | Корпус гидроагрегатов и ГОРУ | Основное | ||||||
| Масло моторное М-10Г2 модернизированное ТУ 38.401-58-169-96 | ||||||||
| М-8Г2К ГОСТ 8581-78 | М-10Г2К ГОСТ 8581-78 | |||||||
| Дублирующее | ||||||||
| Масло индустриальное «Hessol Нуdraulikoil»; «Bechem Staroel №32», HLP 32, И-3А ГОСТ 20799-88 | 21,5 (УК) 17,5 (м/г каб.) | 21,5 (УК) 17,5 (м/г каб.) | 1 | -//- | ||||
| 23 | Корпус ГУР | То же | То же | 6,0 | 6,0 | 1 | -//- | |
| 31 | Подшипник отводки муфты сцепления | Смазка основная: «Литол-24» ГОСТ 21150-75 Смазка дублирующая: «Bechem» LCP-GM многоцелевая, пластичная | 4-6 нагнетаний шприцем (0,02) | 4-6 нагнетаний шприцем (0,02) | 1 | 125 | ||
| Подшипники ступиц передних колес | То же | 0,4 | То же | 2 | При проведении сезонного ТО | |||
| 32 | Кулак поворотный передней оси | -//- | 10-12 нагнетаний шприцем | -//- | 2 | 500 | ||
| 34 | Шестерня регулируемого раскоса | -//- | 1 | 1000 | ||||
| 35 | Втулки поворотного вала заднего навесного устройства | То же | До появления смазки из зазоров | -//- | 2 | 1000 | ||
| 35а | Шарниры рулевой тяги | То же | 0,015 | -//- | 4 | 500 | ||
| Шарниры гидроцилиндра ГОРУ (если установлен) | То же | То же | -//- | 250 | ||||
| 36 | Подшипники оси шкворня ПВМ с планетарно-цилиндрическими редукторами | То же | 0,03 | 0,03 | 4 | 125 |
* При температуре от -15°С до -20°С разбавляйте до 30% объема заправки веретенным АУ ГОСТ 1642-75 или индустриальным И-12А ГОСТ 20799-75 маслами. При температуре до -55°С разбавляйте до 15% объема заправки зимним дизельным топливом. ** В скобках даны заправочные емкости для ПВМ с планетарно-цилиндрическими редукторами.
Примечание: При отсутствии в зимнее время моторного масла требуемой марки допускается применение летних сортов масла с добавлением 15% (по массе) дизельного топлива зимних сортов.
https://youtube.com/watch?v=UoWyIcaH4fk
Сфера применения устройств
Мотор прост в эксплуатации, неприхотлив, не доставляет трудностей в обслуживании. За счет универсальности и преимуществ двигатели получили широкое применение. В настоящее время они устанавливаются в следующие виды машин:
- Трактор ТТЗ-80.10 от Ташкентского завода;
- Тракторы МТЗ 80/82 и современные модификации;
- Погрузчик ТО-18Б АО белорусского производства;
- Экскаватор ЭО-3323А от Тверского завода;
- Дизельные электрические станции АД-12/16/20/30.
Подобная модификация имеет ту же сферу применения, что прочие разновидности данного дизельного двигателя.
( 2 оценки, среднее 4.5 из 5 )

















































