Реле поворотов схема включения
Схема указателя поворотов
642 Google+
Указатели поворот в напряжённом современном автомобильном потоке имеет очень большое значение, и неисправность доставляет большие неудобства. Схема указателя поворотов на отечественных и импортных автомобилях практически одинаковая. В зависимости от года выпуска автомобиля в качестве прерывателя применяется электромагнитнотепловые, или электронные реле. Принцип подключения всех реле практически идентичный. В настоящее время на некоторых импортных автомобилях и ВАЗ 2170 «Приора» реле указателей поворотов отсутствует, его функцию выполняет электронный блок управления электропакетом. В этой статье рассматривается только классическая схема указателя поворотов. Рассмотрим схема указателя поворотов с применением реле. В данных схемах реле включается последовательно с сигнальными лампами через переключатель поворотов. Исключение составляет схема соединения реле поворотов типа РС 950 и его аналогов, применяемых на грузовых автомобилях. К схеме подключения этого реле вернёмся несколько позже. Для начала рассмотрим схему подключения указателей поворотов с электромагнитнотепловым реле типа РС 59. Как видно из рисунка схема очень простая.
При включении зажигания питание подаётся на реле поворотов, а при переводе переключателя поворотов в ту или иную сторону происходит соединение реле через сигнальные лампы с минусом. При этом при замыкании контактов реле лампы загораются, а при размыкании тухнут. Применение аварийной сигнализации с этим реле не возможно из-за его нагрева при работе и быстром выходе из строя при большой потребляемой лампами мощности. Кроме этого это реле не будет работать с диодными лампами, так как ток потребления этих ламп не достаточен для замыкания контактов. Подробно о работе такого реле описано в статье «Реле поворотов ВАЗ-2101»Следующая схема подключения с электронным реле, кроме реле типа РС 950 и его аналогов. Электронные реле, как правило, имеют от 3-х до 5-ти выводов, а схема их подключения принципиально идентична выше описанной. Так как электронные реле позволяют коммутировать большие токи в отличие от электромагнитнотепловых реле, то появляется возможность включение через них аварийной сигнализации. Для реализации этого в схему дополнительно включается кнопка включения аварийной сигнализации. Способы её включения на разных автомобилях могут отличаться, но не значительно. В режиме указателей поворотов питание на реле через контакты кнопки аварийной сигнализации подаётся от замка зажигания, а в режиме аварийной сигнализации непосредственно от аккумуляторной батареи. Так же кнопка в режиме аварийной сигнализации соединяет своими контактами вывод сигнальных ламп реле с сигнальными лампами в обход переключателя поворотов. Подключение электронного реле от электромагнитнотеплового отличается лишь наличием вывода соединённого с массой автомобиля.
Реле поворотов типа РС 950 в схема указателя поворотов включается до переключателя поворотов, в отличие от простого электронного реле. Это обусловлено способом подключения контрольных ламп. Реле состоит из электронной части, которая управляет электромагнитным реле. При включении поворотов одного из бортов автомобиля импульсы тока от электромагнитного реле подаются на переключатель поворотов, дальше через выводы реле поворотов, катушки электромагнитных реле или герконы контрольных ламп, поступают на сигнальные лампы. Ниже приведена принципиальная схема подключения реле.
«Если Вы заметили ошибку в тексте, пожалуйста выделите это место мышкой и нажмите CТRL+ENTER»
admin 03/12/2013″Если статья была Вам полезна, поделитесь ссылкой на неё в соцсетях» avtolektron.ru
Схема реле поворотов
- Как работает электромагнитно-тепловое реле
- Электронное реле: схема и принцип работы
- Распиновка реле поворотов
- Реле поворотов своими руками
Все водители обязаны обозначать маневры, совершаемые на дороге, включением указателя поворотов. Такой мигающий сигнал имеется в каждом автомобиле. Его рабочий режим создает реле поворотов, схема которого подает ток к лампочкам и обеспечивает их мигание. Одновременно подается звуковой сигнал в виде щелчков, напоминающий о включенном указателе поворотов. Все эти действия обеспечивает специальная схема реле поворотов.
Среди различных конструкций наибольшее распространение получили электромагнитно-тепловые и электронные реле. Последние устройства считаются более современные и устанавливаются на всех поздних моделях автомобилей.
Коды ошибок с расшифровкой
Некоторые коды ошибок представлены в таблице:
| Коды ошибок в системе | Причина поломки |
| SPN 977 FMI 4 | Неисправности в работе цепного механизма кондиционера |
| 98-1 | Превышено количество оборотов коленчатого вала |
| 523601-4 | Низкий уровень топлива и масла |
| 3514-31 | Вышел из строя источник питания |
| 675-4 | Замкнуты форсунки |
| 13688-4 | Реле топливного насоса замкнуло на землю |
| 91-4 | Нечеткий сигнал от датчика, отвечающего за позицию тормозного механизма |
| 171-3 | Эта ошибка расшифровывается как сбой в работе термометра |
| 1072-4 | Клапан был замкнут на землю |
| 111-3 | Сильный сигнал от индикатора уровня антифриза |
| 1188-5 | Отсутствует связь с реле подогрева воздушного потока |
| 110-2 | Датчик, отслеживающий температуру антифриза, работает некорректно |
| 1188-4 | Произошло замыкание на землю в регулировочной цепи клапана давления |
Узнать детально обо всех ошибках можно только из инструкции по эксплуатации к двигателю на выбранной модификации самосвала.
Особенности электрооборудования
Теперь перейдем к описанию электрической схемы КАМАЗ.
Все модели грузовиков КАМАЗ 6520, 55102 и другие оснащены такими подсистемами:
- Запуска силового агрегата.
- Поворотные фонари, а также световая аварийная сигналка.
- Отопительный узел, система энергоснабжения, механизм очистки ветрового стекла.
- Освещение салона транспортного средства.
- Головное освещение. В него входят фары ближнего и дальнего света, противотуманки, если они установлены на авто, стоп-сигналы, габариты.
- Приборка. Этот узел считается одним из основных в бортовой сети, поскольку в нем сосредоточены основные датчики, устройства и приборы, в том числе тахометр, спидометр, датчик уровня горючего и т. д. Кроме того, на контрольном щитке имеются световые индикаторы, включающиеся при активации освещения, ручного тормоза и т.д. Благодаря индикаторам водитель может косвенно определить состояние некоторых узлов.
- Противоугонная система автомобиля, если она установлена.
- Блок с предохранителями. Этот компонент обеспечивает защиту электрических цепей авто от возможных скачков напряжения. В нем сосредоточены предохранители, отвечающие за работоспособность основного электрооборудования.
- Блок управления, благодаря которому гарантируется нормальная работа основных агрегатов и оборудования авто.
- Аудиосистема, если автомобиль оборудован ею.
Чтобы электросхема КАМАЗ работала в нормальном режиме, состояние проводки должно быть как минимум удовлетворительным.
Кроме того, работа электроцепи возможна при исправных:
- Аккумуляторных батареях. В КАМАЗах их две, они подключены друг к другу последовательно. Положительный вывод АКБ подключается к выводу стартера, а отрицательный — к выключателю, а через него — к кузову транспортного средства. Обе батареи монтируются в специальный ящик, расположенный на раме машины, позади кабины. Благодаря аккумуляторам обеспечивается нормальная работа зажигания при запуске мотора. Кроме того, благодаря АКБ возможна работа электрооборудования при отключенном двигателе.
- Генераторе. Генераторный узел позволяет осуществлять питание электрических девайсов и систем на запущенном моторе. Помимо этого, при помощи генераторного узла производится зарядка АКБ.
Источники
- https://NomadCar.ru/kamaz/65115-shema.html
- https://overs-energy.ru/shema-podklyucheniya-gabaritov-kamaz-65115/
- https://novoname.ru/tsvetnyye-skhemy-elektrooborudovaniya-kamaz-65115-yevro-3-yevro-4/
- https://zsm-miass.ru/avtobrendy/kamaz-65115-shema.html
- https://SpecTorg.su/avtobrendy/shema-elektrooborudovaniya-kamaz-65115.html
- https://BashGazCrimea.ru/avtobrendy/elektroshema-kamaz-65115-evro-3.html
- https://avtozam.com/kamaz/6511-6520-5510-5511-elektrosistema/
Блок реле предохранителей КАМАЗ 5490, 65206 65207
Можно применять некачественное топливо, причем использовать любую его разновидность.

Электрическая схема системы контрольно-измерительных приборов: 1 — указатель уровня топлива; 2 — датчик указателя уровня топлива; 3 — предохранитель Обе батареи монтируются в специальный ящик, расположенный на раме машины, позади кабины. Еще одна проблема, которая может произойти — это выход из строя генератора или его неполноценная работа.
![]()
При замене проводки помните о том, что кабель лучше несколько раз заизолировать перед укладкой. Выключатель 8 аварийной световой сигнализации обеспечивает одновременное включение всех указателей поворота в прерывистом режиме. Натяжение ремней привода генератора и водяного насоса : — отклонив генератор вверх, обеспечьте номинальное натяжение ремней, затяните болт регулировочный , болт крепления планки генератора и гайки болтов крепления передней и задней лап генератора.

Световые индикаторы и звуковая сигнализация Мигающая индикация указателей обеспечивается аварийным реле-прерывателем. Не подсоединяйте и не отсоединяйте штепсельные разъемы и плюсовой вывод генератора при работающем двигателе и включенных аккумуляторных батареях, а также не пускайте двигатель при отсоединенном плюсовом проводе генератора.

Выключатель 8 аварийной световой сигнализации обеспечивает одновременное включение всех указателей поворота в прерывистом режиме. На вкладыше к Руководству приведены принципиальная схема электрооборудования автомобиля, перечень элементов схем с указанием маркировки типа этих элементов от основных поставщиков. Функциональная схема световой и звуковой сигализации тормозной системы.

К нему относятся: Фары ближнего и дальнего света; Освещение номерного знака; Противотуманные фонари; Фара, которая освещает пространство под кузовом. Выключатель 8 аварийной световой сигнализации обеспечивает одновременное включение всех указателей поворота в прерывистом режиме. При этом замыкаются контакты датчика 20, установленного в контуре III пневмопривода тормозных механизмов, и загорается контрольная лампа. Поскольку этот узел отвечает за работоспособность всего оборудования во время движения, о его поломке вы узнаете сразу. Электроэнергию вырабатывает генераторная установка.
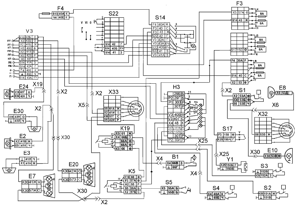
На схемах рядом с условным изображением элементов электрооборудования приведены номера присоединяемых электропроводов, буквами обозначен их цвет: Б — белый; Г — голубой; Ж — желтый; 3 — зеленый; К — красный; КЧ — коричневый; О — оранжевый; Р — розовый; С — серый; Ф — фиолетовый; Ч — черный. Цена распечатки 10 листов в разы меньше, чем стоимость инструкции, предлагаемой различными ресурсами и издательствами. Возможные неисправности проводки Поломки в работе электропроводки — это проблема, с которой сталкиваются многие наши соотечественники. В системе применяется реверсивный электродвигатель МЭ
Электростартер управляется через реле, при помощи выключателя приборов. Электросхема блока освещения Внутреннее и наружное освещение предназначены для эксплуатации автомобиля в условиях плохой видимости и темное время суток. Функциональная схема световой и звуковой сигализации тормозной системы. Звуковая сигнализация предназначена для оповещения о нормальной работе агрегатов. Несмотря на прекращение производства, устройство активно применяется в строительстве, так как до сих пор актуально по своим параметрам. Электрооборудование КАМАЗ. Схемы эектрооборудования.ТОэлектрооборудования автомобиля КАМАЗ
Видовые особенности
Современные двигатели имеют электронные блоки контроля, которые считывают информацию датчиков. Схема спидометра любой старой модели Камаза покажет непосредственное подключение. Первый вариант сейчас наиболее приоритетный, ведь возможность поместить датчик непосредственно в двигатель внутреннего сгорания дает больший объем информации о работе всех систем автомобиля. ДСА формирует импульсный сигнал, частота импульсов пропорциональна количеству оборотов вала, соответственно, скорости движения. Таким образом, измерение скорости — это подсчет контроллером частоты вращения за единицу времени.
Неисправность датчика определения скорости — комплексная проблема. На современном транспортном средстве редко встречаются системы, работающие совершенно автономно, поэтому дистрой одной неизбежно влечет ряд проблем, которые необходимо оперативно решить. Например, неисправный ДСА может спровоцировать потерю данных скоростного режима, пройденного километража (спидометры часто конструктивно связаны с одометрами), нарушить работу силового агрегата, влекущего нестабильный холостой ход, повышенный расход топлива, потерю мощности, нестабильную работу гидроусилителя руля.
Датчики подлежат обязательной замене, при чем устанавливать необходимо именно ту модель, которая была установлена ранее, либо аналогичную, рекомендованную производителем. Устанавливать китайские дешевые аналоги — очень рискованное дело, грозящее потерей данных, дальнейшими поломками остальных сопряженных систем. Неродной ДСА может просто «не встать» правильно, либо во время этапа тестирования выдавать некорректные данные.
Контактные датчики Камаза являются менее надежными ввиду взаимодействия нескольких запчастей. Однако именно такие компоненты устанавливаются наиболее часто, заменяя механический спидометр, модернизируя систему тормозов. Иногда вместо контактных агрегатов используются задающие диски либо роторы — бесконтактные модели. Современные Камазы оснащены именно ими.
- Контактные датчики представляют собой микросхему со специальной пластинкой, усилительной схемой. Небольшие разъемы магнита позволяют считывать показатели приборов. Данный принцип установлен на старой модели Камаза 5320.
- Бесконтактные модели работают на эффекте Холла (система частотных импульсов, подающихся определенными интервалами). Колеса вращаются, вырабатывая определенную импульсную амплитуду. Механика высчитывает показатели, отображая данные на приборной панели. Обычно расчет исходит из шести тысячи сигналов на пройденный километр. Самый сложный, точный считается ДСА Евро, заимствованный у зарубежных грузовиков. Строение данного механизма настолько непростое, что рекомендуется, например, Евро 3 ремонтировать только на специализированных сервисах.
Данные датчики служат достаточно долго, однако каждый механизм имеет свойство изнашиваться. Постепенно появляются проблемы холостого хода, внешние очевидные признаки поломки — коррозия контактов. После выявления наличия неисправности обязательно необходимо устранить ее, иначе можно нажить массу дополнительных проблем:
- Отсутствие информации о скорости, пройденном километраже.
- Ухудшение работы мотора (холостой ход, потребление топлива резко увеличивается, мощность падает).
- Ухудшение работы системы безопасности: гидроусилителя руля, АБС (если системы связаны).
Электронный датчик — маленькая деталь внутри большого тягача, может играть очень важную роль. Как правило, диагностика работы, замена ДСА производится только после возникновения первичных признаков некорректной работы. Заменить деталь необходимо оперативно, хотя во время движения поломка данной запчасти не нарушает жизненно важных функций.
=> html => html =>
В последнее время все механизмы современных авто полностью автоматизируются. Данная тенденция настигла датчики скорости, ставшие электронными, соответственно, получившими более широкий функционал, сложное строение. Датчик измеряет скорость транспортного средства во время движения. Данный узел очень важен, ведь именно режим активности движения позволяет контролировать автомобиль на дороге.
=>
В последнее время все механизмы современных авто полностью автоматизируются. Данная тенденция настигла датчики скорости, ставшие электронными, соответственно, получившими более широкий функционал, сложное строение. Датчик измеряет скорость транспортного средства во время движения. Данный узел очень важен, ведь именно режим активности движения позволяет контролировать автомобиль на дороге.
Схема подключения реле поворотов ваз 2107
Схемы подключения → ВАЗ 2107

Датчик давления масла, 22. Плафон освещения внутреннего кузова. Определяемся с месторасположением нашей кнопки грядущей, куда и будем тащить нашу проводов косу. Установка панели устройств проводится в порядке обратном. короткий обзор отечественных стандартных корпусах в реле как изображено ниже на фото. контрольной Датчик лампы уровня тормозной воды, 18. контрольной Выключатель лампы стояночного тормоза. При неисправности розысках рекомендуется просмотреть цепи, какие данный защищает предохранитель. Реле далекого света Переключатель, 29. фар наружного освещения, 34. Выключатель противотуманного задних в света фонарях. Подрулевой рычажный переключатель, 50. поменяны 30 и 86 Контакты местами. Именно он и дает команду поменять микросхеме частоту при перегорании ламп. как Так практически здесь придется эмпирическим подбирать методом резистор ограничивающий ток на вывод 4, совсем не также удачный вариант. Контрольная лампочка освещения наружного. Электромагнитный клапан карбюратора, 17. Электродвигатель ветрового очистителя стекла, 15. Плохой контакт выделяет на тепло себе. Выверните винты крепления и снимите кожух облицовочный вала управляющего управления, накладки ветрового стоек стекла. Реле подключения омывателя и фар очистителей. Белые точки пробой нагора при искрой подключении потребителя, чрез эти ответный места контакт может привариваться, оставляя потребитель присоединенным. Этот предохранитель рассчитан на 8а. При клавишей управлении или герконом, диод d2 не нужен. омывателя Электродвигатель ветрового стекла, 7. В принципе в статье максимально всё ясно, я лишь хочу увеличить её фотографиями подробными. Еще раз проверяем верность новой подключения схемы. Кроме такого, через блок монтажный исполняется соединение жгутов проводов мотора отсека с жгутом проводов панели устройств и с жгутом задним. shemy-podklyucheniya.ru
Что такое электрическая схема?
Так же существуют электрические схемы автомобиля отдельных узлов, которые более подробно раскрывают суть работы электроники автомобиля.
Обычно на современных схемах это обозначают так: Чтоб уж совсем наглядно показать этот момент
Сегодня с таким стремительным развитием технологий очень важно знать, как читать электросхемы автомобилей
Также читать электросхему необходимо тем водителям, у которых есть прицеп, поскольку зачастую возникают сложности в его подключении своими руками к системе
В этом случае также важно понять, как научиться читать схемы электрические, потому что в преимущественном большинстве случаев их обязательно прилагают практически к каждому устройству. Поначалу это может сбить с толку, но в этом нет ничего сложного, разобраться своими силами вполне возможно
Сюда приходит только управляющее положительное напряжение. К этому пункту относится все электрооборудование, которое потребляет энергию, преобразовывая ток в другой тип энергии. В этом месте может быть пересечение дорожек или спайка из проводков.
Статья по теме: Розетка для проводов в стене
Какие возможности открываются перед автовладельцем, разбирающемся в схемах?
Как устроено электрооборудование любого автомобиля? Уметь разбираться в схеме должны и те автолюбители, которые периодически пользуются прицепом, поскольку часто наши соотечественники сталкиваются с проблемой подключения. Временно можно подпилить отверстия крепления до овальных форм и сместить датчик относительно своей оси. В самом худшем варианте показания спидометра будут врать, либо спидометр не будет показывать скорость автомобиля.
Например вот: Почти над каждым проводом есть числа. Основные аспекты правильного чтения электросхемы оборудования Итак, как читать автомобильные схемы и что нужно знать об их расшифровке? Соответственно, сама проводка на ней может быть изображения разрывами и отрезками. Сам цвет проводников может быть однотонным или двойным, это говорит о том, основной ли это кабель либо дополнительный. Электросхемы — это обыкновенное графическое изображение, на котором показаны пиктограммы разных элементов, расположенных в определенном порядке в цепи и связанных между собой последовательно или параллельно.
Что представляют собой автомобильные электросхемы?
В таких электросхемах проводники могут быть указаны отрезками или с разрывами. И вот, разбираясь с принципиальной электросхемой своего автомобиля, и показывая своему знакомому, я увидел не понимание в его глазах, и желание чтобы от него отстали. В случае отклонения показателей от указанных значений в таблице, датчик будет врать.
Номера, указанные на узлах, должны соответствовать реальным цифрам. На самом деле чтение электросхем автомобиля не такое уж и сложное занятие. При этом стоит отметить тот факт, что любой такой чертеж не демонстрирует реальное местонахождение тех или иных элементов, а используется только для того, чтобы указать их связь друг с другом. Таких датчиков существует 2 типа: контактные и бесконтактные. Зачем они нужны?
Учимся читать электросхему автомобиля. Часть 3. Автоэлектрика.
Кнопка массы: как сделать выключатель, советы

На автомобильных заводах, как правило, не устанавливают специальной кнопки или механизма, который бы отключал питание массы. Массой (-) называют минусовое электропитание. Минус от аккумулятора соединяют с кузовом машины. Имея возможность отключения массы, не отсоединяя от клеммы АКБ, появляется удобство и защита автомобиля от возгорания в случае короткого замыкания и защиты от угона.
статьи:
Кнопка выключения массы
Устройство отключения массы аккумулятора (ОМА) — это механизм, который замыкает или размыкает минусовой провод в автомобильной электропроводке. Реализовывают выключатель с помощью кнопки или тумблера, который устанавливается в салоне, чтобы водитель мог спокойно отключать питание не открывая капот и не отсоединяя минусовую клемму от АКБ.
Прежде чем купить кнопку выключения массы автомобиля, следует определиться с назначением. Если нужен выключатель только для того, чтобы отсоединять питание, то можно купить и установить дешевую кнопку. А, если нужен выключатель, как дополнительное средство защиты от угона транспортного средства, то нужна кнопка более сложной конструкции.
Но, в основном, отключатель массы устанавливается для безопасности, а не как противоугонное средство.
Как сделать выключатель массы своими руками
Для тех, кто хочет создать механизм отключения сам, существует не сложная схема для изготовления. В данном типе выключателя не будет механических контактов. Его можно будет использовать как средство защиты от кражи автомобиля.
Схема устройства выключателя массыВ устройстве есть два проводника: диод, тринистор.
Тринистор в этом механизме — это электронное реле, включение которого происходит при появлении импульсов на управляющем электроде.
S1 монтируется в салоне авто в скрытном месте. Если замкнуть контакты S1, то появится нужный импульс, который пойдет на тринистор, в результате чего он отпирается, что ведет к уменьшению сопротивления и по электропроводке течет ток.
Из чего состоит механизм выключателя массы
Тринистор пропускает ток только в одном направлении, от аккумулятора к сети, но не от сети к аккумулятору.
Чтобы была возможность АКБ заряжаться от генератора, устанавливается диод параллельно тринистору. Детали устройства крепятся на дюралевом уголке. Провода используются многожильные.
Как установить выключатель массы в автомобиль:
- Тринистор имеет вывод катод (+). К катоду накидывается клемма батареи. Сборка конструкции надо установить в металлический корпус.
- Далее следует протянуть многожильный провод из моторного отсека в салон. Отверстие можно высверлить, можно найти рядом в другими проводами.
- Кнопку или тумблер монтируем на рулевую колонку, предварительно демонтировав чехол с рулевой колонки и просверлив в нем глухое отверстие необходимого диаметра для помещения туда переключателя.
- Один контакт кнопки или тумблера соединяем с массой (-) автомобиля, второй — к плюсу.
Советы и рекомендации
Вот основные рекомендации по правильной установке выключателя массы:
- при наличии электронных приборов в автомобиле (они теперь есть во всех новых автомобилях), которым требуется настройка, после отключения массы, придется заново выставлять время и другие настройки;
- если в конструкции охранной системы есть автономная сирена, то сирена включается и начинает издавать звук во время выключения «массы»;
- если конструкция автосигнализации без автономной сирены, то после отключения массы автомобиля, отключается и вся охранная система машины;
- при отключении массы в инжекторных автомобилях отключается контроллер, в котором стирается вся накопленная информация.
Через некоторое время, в зависимости от условий эксплуатации (в частности, повышенная влажность), контакты устройства подвергаются коррозии, что ведет к увеличению сопротивления тока. Переходное высокое сопротивление чувствительно для обычного или редукторного стартера, поэтому контакты желательно смазать литолом или спец вазелином.
В этом видео умелые руки опытных водителей делают своими руками кнопку дистанционного отключения массы автомобиля.
Советы и рекомендации, как выбрать массу для автомобиля.
В этом видео показывается выбор места, способ установки и подключения кнопки от автомобиля Камаз на машину Мерседес.













































