Ремонт печки на Шевроле Круз
Приступаем к замене только после проведения комплексной диагностики, идентификации поломки, места расположения, оценки общего технического состояния автомобиля. Без вышеперечисленных работ начинать ремонт – признак крайнего непрофессионализма. Подобное встречается в «кустарных мастерских», когда жажда наживы преобладает над качеством.

Основные этапы замены (демонтажа)
- Шевроле Круз устанавливаем на ровную, просторную площадку;
- отсоединяем обе клеммы от аккумулятора во избежание короткого замыкания в сети;
- в передней части салона открыты двери;
- этап №1: извлекаем вещевой ящик, прижимая руками боковые стенки;
- доступ к тыльной части центральной консоли обеспечен. Через возможности «окошка» можно снять платы с аудиосистемы, рычагов управления, климатической аппаратуры;
- извлекаем встроенное оборудование;
- этап №2: центральная приборная панель. Аккуратно отвинчиваем по периметру, отсоединяем контактные платы, извлекаем;
- этап №3: демонтаж боковых треугольников – пластмассовых вставок на торпеду;
- этап №4: отвинчивание торпеды по периметру, извлечение её из салона автомобиля Шевроле Круз;
- завершающий этап: снятие центральной металлической балки Chevrolet Cruze. Она служит неким барьером, защищая водителя и пассажира при лобовом столкновении. Отвинчиваем по два крепёжных болта с каждой из сторон.
После того, как доступ к печному отопителю получен, приступаем к дефектовке. По центру расположена печка, идет ветвление каналов подачи воздуха в дефлекторы. Проводим диагностику на целостность, плотность посадки, фиксацию на стыках. Если замечаний нет, но поломка всё ещё не устранена, приступаем к осмотру моторчика, контактов, проверки работоспособности.
Понадобится мультиметр для прозвона электрической цепи, обнаружения повреждения кабелей, порывов, короткого замыкания. Параллельно осматриваем состояние рычагов активации печного отопителя. Часто бывает так, что из-за нарушения правил использования, пластмассовые детали ломаются, деформируется. При этом отопитель и моторчик остаются полностью исправными.
Замене подлежит: заслонка рециркуляции, воздуховоды, изношенные детали, моторчик, прочие расходные материалы, дальнейшая эксплуатация которых невозможна.
Далее следует сборка и установка на штатное место. Параллельно проводится дефектовка, доработка, возможно, некоторые детали не были замечены в ходе первичного осмотра.
Важный момент: если повреждён рычаг привода, не обязательно приобретать новый от Шевроле Круз, можно от Лачетти. Они взаимозаменяемы.
Ремонт печки “Шевроле-Круз” — назначение элемента и подготовка

Узел состоит из специального отверстия с воздуховодом, тяги и моторчика.
Заслонка предусмотрена для регулировки тепла и располагается с водительской стороны за “приборкой”. Конструкция из 2 частей с перегородкой между ними. Система активируется специально тягой. Она подключена к моторчику, управляемому ЭБУ климатического контроля.
Мы уже говорили, что до начала работ лучше как следует подготовиться. Мы кратко описали устройство заслонки. При необходимости разобраться детальнее, найдите в сети подробную информацию по этому вопросу. Для работы вам понадобятся:
- отверки (крестовая и прямошлицевая);
- проволока из стали (длина — 20 мм и сечение — 4 мм);
- нож;
- клей “Момент”;
- дрель (со сверлом на 5 мм).
Устройство системы отопления автомобиля «Шевроле-Круз»
На «Шевроле-Круз» устанавливается система отопления жидкостного типа. То есть охлаждение осуществляется за счёт передачи тепла от охлаждающей жидкости (ОЖ). Радиатор охлаждения соединён с радиатором печки посредством двух шлангов. Они проведены через моторный отсек к области под центральной частью передней панели, где находится климатический блок, включающий в себя печку и кондиционер.
Печка на «Шевроле-Круз» расположена в привычном месте — под передней панелью
Поток воздуха, нагретого от радиатора, передвигается по системе патрубков и воздуховодов. Его нагнетает вентилятор печки, после этого воздух проходит через радиатор отопителя и с помощью заслонок направляется в пространство для ног водителя и пассажиров, к воздуховодам на панели приборов, а также к воздуховодам обогрева стёкол. На Chevrolet Cruze предусмотрен обогрев задней части салона и пространства для ног пассажиров, сидящих сзади.
1 — обдув ветрового стекла; 2 — заслонки обдува стекла и дефлекторов на панели приборов; 3 — дефлекторы панели приборов; 4 — обогрев ног; 5 — заслонка панель приборов/ноги; 6 — радиатор печки; 7 — салонный фильтр; 8 — заслонка системы рециркуляции; 9 — короб воздухопритока; 10 — салонный воздухозаборник; 11 — вентилятор; 12 — мотор вентилятора; 13 — испаритель; 14 — дренаж для конденсата; 15 — заслонка-регулятор температуры; 16 — корпус блока отопления/кондиционирования
Ремонт печки “Шевроле-Круз” — назначение элемента и подготовка

Узел состоит из специального отверстия с воздуховодом, тяги и моторчика.
Заслонка предусмотрена для регулировки тепла и располагается с водительской стороны за “приборкой”. Конструкция из 2 частей с перегородкой между ними. Система активируется специально тягой. Она подключена к моторчику, управляемому ЭБУ климатического контроля.
Мы уже говорили, что до начала работ лучше как следует подготовиться. Мы кратко описали устройство заслонки. При необходимости разобраться детальнее, найдите в сети подробную информацию по этому вопросу. Для работы вам понадобятся:
- отверки (крестовая и прямошлицевая);
- проволока из стали (длина — 20 мм и сечение — 4 мм);
- нож;
- клей “Момент”;
- дрель (со сверлом на 5 мм).
Важные нюансы
Как уже говорилось выше, проблемы с отопителем на «Шевроле Круз» обычно возникают из-за неисправной заслонки. Но есть и более редкие ситуации, о которых водителю необходимо знать. Вот они:
Штрафы за пересечение стоп-линии и превышение скорости больше не побеспокоят!
отопительная система автомобиля перестаёт реагировать на нажатия кнопок на блоке управления климат-контролем. Если это произошло в дороге и до сервисного центра очень далеко, то проблему можно решить, просто открыв капот и на 10 секунд сняв с аккумулятора отрицательную клемму. При последующем запуске мотора произойдёт перезагрузка программы в блоке климат-контроля и отопительная система снова начнёт реагировать на команды;

Для восстановления нормальной работы блока климат-контроля иногда достаточно просто снять клемму с аккумулятора

За уровнем антифриза в расширительном бачке «Шевроле Круз» необходимо тщательно следить

Пластик панели «Шевроле Круз» не нужно вырезать полностью
Серьёзные проблемы в системе отопления «Шевроле Круз» могут начаться только при неисправностях в блоке климат-контроля. В этой ситуации без вмешательства специалистов не обойтись. А отремонтировать печную заслонку можно и своими руками в условиях гаража.
Инструкция по снятию и замене
Рассмотрим процесс замены устройства на примере автомобиля Шевроле Лачетти:
- Для начала производится демонтаж центральной консоли, в этом нет ничего сложного — нужно просто выкрутить все болты, которые ее крепят, после чего снять консоль с креплений.
- Затем с консоли снимаются все навесные элементы, в частности, вещевой ящик, пластмассовые вставки, также нужно отсоединить тросы с заслонок отопителя и демонтировать центральную накладку. Также снимите перчаточный ящик и модуль управления подсветкой, регулятор оптики, часы. При отключении элементов желательно подписывать все разъемы с проводкой, это позволит при сборке не допустить ошибок при подключении.
- Затем вам потребуется длинный вороток, а также ключ трещотка с головками на 10 и 12, отвертка с крестовым наконечником. Также учтите, что для сборки центральной консоли вам потребуется новый фиксатор резьбы, заранее купите его.
- Некоторые центральные консоли фиксируются к балке изнутри, это может доставить неудобства при демонтаже торпеды. Там расположен саморез, вам в любом случае придется его выкручивать. Откручиваются все элементы креплений центральной консоли к балке. Для демонтажа консоли нужно ее немного приподнять, а затем извлекать. Также вам потребуется отсоединить все фиксаторы фишек, на которых зафиксированы провода к балке.
- Далее, с правой и с левой стороны вам нужно будет выкрутить по три винта, с помощью которых балка фиксируется к кузову автомобиля. Также в области фиксации рулевой колонки к кузову вы сможете увидеть еще шесть болтов, их тоже нужно открутить.
- Затем производится демонтаж балки. Сделав это, можно приступать к снятию управляющего модуля отопителем.
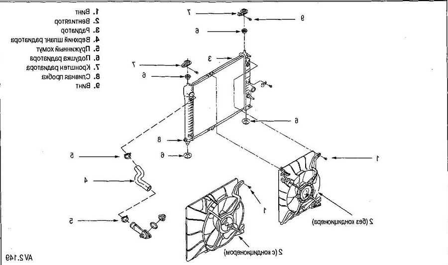
- В снятии модуля нет ничего сложного. Вам нужно будет открутить два винта в салоне авто, с помощью которых фиксирует модуль отопителя с блоком, в котором установлено испарительное устройство кондера с фильтрующим элементом.
- Затем в моторном отсеке необходимо отсоединить два шланга, которые подключены к радиаторному узлу. Также следует открутить и четыре винта, фиксирующих модуль отопителя к кузову авто.
- Далее, демонтируется сам модуль, после чего вы без проблем сможете снять и радиаторное устройство. Для разбора модуля нужно открутить еще десять саморезов. Производится установка нового радиатора.
Распространённые неисправности отопителя «Шевроле Круз»
Следует отметить, что подавляющее большинство поломок на «Шевроле Круз» связано с тягой печной заслонки.
Дело в том, что проушина на этой тяге выполнена из дешёвого и очень хрупкого пластика, который на тридцатиградусном морозе легко ломается.
В результате возникает несколько неисправностей, перечисленных ниже.
Печка дует только холодным воздухом
Воздуховод на современных автомобилях «Шевроле Круз» после рестайлинга разделён на две секции — левую и правую.
Следовательно, для каждой секции имеется своя отопительная заслонка.
Управляющих тяг, прикреплённых к этим заслонкам, тоже две. Одна со стороны водителя, вторая — со стороны пассажира.
Если отопитель на «Шевроле Круз» дует только холодным воздухом, значит, тяги на обеих заслонках сломались, они опустились в крайнее нижнее положение, где и остались.
По этой причине холодный воздух начинает дуть на ноги как водителю, так и пассажиру, а незначительная часть горячего воздуха идёт на лобовое стекло.
Печка дует холодным и горячим воздухом
Ситуация, когда отопитель «Шевроле Круз» начинает дуть на водителя холодным воздухом, а на пассажира — горячим (или наоборот), наблюдается тогда, если тяга ломается только на одной из отопительных заслонок, в то время как вторая нормально управляется своим сервоприводом.
Проблема решается разборкой системы отопления и починкой сломанной тяги.
Течь патрубков на печном радиаторе «Шевроле Круз»
Ещё одной распространённой неисправностью является подтекание патрубков на печном радиаторе «Шевроле Круз».
Происходит это из-за того, что качество уплотнительных колец на этих патрубках оставляет желать лучшего.
А в условиях сурового отечественного климата эти кольца приходят в негодность буквально за три года.
После этого из-под крепёжных хомутов начинает течь охлаждающая жидкость.
Патрубок «Шевроле Круз» потёк из-за изношенного уплотнительного кольца
Для того чтобы увидеть потёки, достаточно просто заглянуть под капот автомобиля.
Проблема решается полной заменой уплотнительных колец на всех печных патрубках.
Необходимы резиновые кольца, наружный диаметр которых составляет 30 мм, а внутренний — 25 мм.
Как правило, такие кольца продаются в наборах. Стоимость одного набора может варьироваться от 300 до 700 рублей.
Резиновые уплотнительные кольца для отопительных патрубков, как правило, продаются в наборах
Устройство системы отопления автомобиля «Шевроле-Круз»
На «Шевроле-Круз» устанавливается система отопления жидкостного типа. То есть охлаждение осуществляется за счёт передачи тепла от охлаждающей жидкости (ОЖ). Радиатор охлаждения соединён с радиатором печки посредством двух шлангов. Они проведены через моторный отсек к области под центральной частью передней панели, где находится климатический блок, включающий в себя печку и кондиционер.
Печка на «Шевроле-Круз» расположена в привычном месте — под передней панелью
Поток воздуха, нагретого от радиатора, передвигается по системе патрубков и воздуховодов. Его нагнетает вентилятор печки, после этого воздух проходит через радиатор отопителя и с помощью заслонок направляется в пространство для ног водителя и пассажиров, к воздуховодам на панели приборов, а также к воздуховодам обогрева стёкол. На Chevrolet Cruze предусмотрен обогрев задней части салона и пространства для ног пассажиров, сидящих сзади.
1 — обдув ветрового стекла; 2 — заслонки обдува стекла и дефлекторов на панели приборов; 3 — дефлекторы панели приборов; 4 — обогрев ног; 5 — заслонка панель приборов/ноги; 6 — радиатор печки; 7 — салонный фильтр; 8 — заслонка системы рециркуляции; 9 — короб воздухопритока; 10 — салонный воздухозаборник; 11 — вентилятор; 12 — мотор вентилятора; 13 — испаритель; 14 — дренаж для конденсата; 15 — заслонка-регулятор температуры; 16 — корпус блока отопления/кондиционирования
Если дует холодный воздух из дефлектора на торпеде Chevrolet Cruze
В чем может заключаться проблема подачи в салон автомобиля холодного воздуха при максимальной температуре из дефлекторов печки Chevrolet Cruze, установленных по краям топерпеды. Некоторые атволюбители грешат на забитый воздушный фильтр салона, однако замена его, как правило, не приводит к нужному результату. Дело в том, что проблема здесь кроется куда глубже, и причиной тому является либо моторчик привода воздушной заслонки дефлектора либо тяги ее привода. В данном материале рассмотрим решение проблемы сломанной тяги и как восстановить ее работоспособность. Также хочется отметить, что данная работа займет у вас примерно час вашего времени, в то время как на сервисе за такой ремонт могут запросить до 20000 рублей.
Почему постоянно работает вентилятор охлаждения
Если вентилятор двигателя работает постоянно, то на это может быть 7 причин.
Датчик температуры ОЖ
- Отказ датчика температуры охлаждающей жидкости либо повреждение его проводки. Если от датчика до ЭБУ идет некорректная информация (завышенный или заниженный сигнал, его отсутствие, короткое замыкание), то в ЭБУ формируются ошибки, в результате чего блок управления переводит двигатель в аварийный режим, в котором вентилятор «молотит» постоянно, дабы не было перегрева двигателя. Понять, что неисправность именно в этом, можно будет по трудному запуску двигателя когда он еще не прогрет.
- Замыкание проводов на «массу». Нередко вентилятор постоянно работает в случае, если у него перетирается минусовой провод. В зависимости от конструкции двигателя это может быть в разных местах. Если конструкцией мотора предусмотрены два ДТОЖ, то при обрыве «минуса» первого датчика вентилятор будет «молотить» при включенном зажигании. В случае повреждения изоляции проводов второго ДТОЖ вентилятор работает постоянно при запущенном двигателе.
- Неисправное реле включения вентилятора. У большинства автомобилей питание вентилятора состоит из «плюса» от реле и «минуса» от ЭБУ по температуре от ДТОЖ. «Плюс» подается постоянно, а «минус» при достижении рабочей температуры антифриза.
- «Глюки» электронного блока управления. В свою очередь некорректная работа ЭБУ может быть вызвана сбоем в его программном обеспечении (например, после перепрошивки) либо при попадании внутрь его корпуса влаги. В качестве влаги может быть банальный антифриз, который попал в ЭБУ (актуально для автомобилей «Шевроле Круз», когда антифриз попадает в ЭБУ через порванную трубку подогрева дроссельной заслонки, она находится возле ЭБУ).
- Грязный радиатор. Это касается как основного радиатора, так и радиатора кондиционера. При этом зачастую вентилятор работает постоянно при включенном кондиционере.
- Датчик давления фреона в кондиционере. При выходе его из строя и при утечке хладагента система «видит», что радиатор перегревается, и пытается охладить его с помощью постоянно включенного вентилятора. У некоторых автолюбителей при включении кондиционера постоянно работает вентилятор охлаждения. На самом деле так быть не должно, поскольку это указывает либо на забитый (загрязненный) радиатор, либо на проблемы с датчиком давления фреона (утечка фреона).
- Низкая эффективность системы охлаждения. Поломки могут быть связаны с низким уровнем ОЖ, его утечкой, неисправным термостатом, выходом из строя помпы, разгерметизацией крышки радиатора либо расширительного бачка. При такой проблеме вентилятор может работать не постоянно, а в течение длительного времени или часто включаться.
Не Работает Печка Chevrolet Круз

Охлаждающий вентилятор радиатора не работает (не включается). причины, устранение неисправностей
Проблемы с охлаждающим вентилятором обычно возникают в подержанных автомобилях с приличным пробегом. Этот сбой проявляется по-разному, вентилятор может работать не стабильно, может включиться поздно или вообще не включиться.
Есть много причин, по которым вентилятор не включается: от обычного перегоревшего предохранителя до более сложных проблем, связанных с неисправностью термостата или проблемами с бортовым питанием автомобиля.
Если двигатель начинает кипеть, но вентилятор не включается, первое, что приходит в голову большинству автомобилистов. это проблемы с проводкой вентилятора. Однако очень часто проводка не имеет ничего общего, и настоящая причина кроется в термостате. Устройство, предназначенное для контроля температуры охлаждающей жидкости (охлаждающей жидкости), может работать со сбоями или просто заклинивать, после чего охлаждающая жидкость прекращает циркулировать на радиаторе, вызывая неисправность датчика радиатора, и вентилятор не включается.
Затем проверьте предохранитель, отвечающий за вентилятор; если предохранитель перегорел, замените его на целый. Если причина не в предохранителе, вентилятор должен быть проверен напрямую. Силовые провода подходят для этой цели, часто от старости они просто крошатся или ломаются. Кроме того, причиной может быть вилка, поэтому, если с проводкой все в порядке, выключите вентилятор и проверьте вилку на наличие неисправности. Подключите питание к вентилятору напрямую, например, от аккумулятора. Если вентилятор вообще не реагирует, мы заключаем, что вентилятор работает неисправно.
Устройство системы отопления автомобиля «Шевроле-Круз»
На «Шевроле-Круз» устанавливается система отопления жидкостного типа. То есть охлаждение осуществляется за счёт передачи тепла от охлаждающей жидкости (ОЖ). Радиатор охлаждения соединён с радиатором печки посредством двух шлангов. Они проведены через моторный отсек к области под центральной частью передней панели, где находится климатический блок, включающий в себя печку и кондиционер.
![]()
Печка на «Шевроле-Круз» расположена в привычном месте — под передней панелью
Поток воздуха, нагретого от радиатора, передвигается по системе патрубков и воздуховодов. Его нагнетает вентилятор печки, после этого воздух проходит через радиатор отопителя и с помощью заслонок направляется в пространство для ног водителя и пассажиров, к воздуховодам на панели приборов, а также к воздуховодам обогрева стёкол. На Chevrolet Cruze предусмотрен обогрев задней части салона и пространства для ног пассажиров, сидящих сзади.
![]()
1 — обдув ветрового стекла; 2 — заслонки обдува стекла и дефлекторов на панели приборов; 3 — дефлекторы панели приборов; 4 — обогрев ног; 5 — заслонка панель приборов/ноги; 6 — радиатор печки; 7 — салонный фильтр; 8 — заслонка системы рециркуляции; 9 — короб воздухопритока; 10 — салонный воздухозаборник; 11 — вентилятор; 12 — мотор вентилятора; 13 — испаритель; 14 — дренаж для конденсата; 15 — заслонка-регулятор температуры; 16 — корпус блока отопления/кондиционирования
Не включается вентилятор системы охлаждения
Тосол будет булькать, а лишний воздух — выходить. Время от времени надо подливать тосол.

Затем завернуть пробку и проверить работу печки. Проблема также заключается в негерметичности пробки, которая должна создавать избыточное но не слишком давление.
Часто ее заменой можно устранить сразу несколько неисправностей. Он забивается грязью, отложениями из блока цилиндров двигателя, ржавчиной и не прогревается как надо.
Чистка здесь практически бесполезна.

Поскольку для этого надо снимать радиатор, его будет разумнее заменить. Изначально холодный воздух нагнетается вентилятором на радиатор печки, который затем выходит в салон.

Специальная заслонка направляет этот воздух через радиатор либо в обход него. Следовательно, при неисправности этих узлов воздух не будет дуть вообще либо направляется одинаково холодным при любых положениях заслонки.

В первом случае не работает электродвигатель вентилятора. Во втором — неисправен тросовый привод заслонки.
Основные причины
При поломке моторчика поиски проблемы следует начинать с предохранителя, отвечающего за эту цепь. Если он не пробит, значит неисправна проводка, либо сам электродвигатель, подлежащий замене либо профилактической чистке. Чтобы его снять, надо демонтировать бардачок. Мотор расположен снизу корпуса отопителя и держится на защелках.

Для ремонта привода заслонки потребуется снять нижнюю часть консоли. Неисправности блока сопротивлений Электродвигатель вентилятора работает с несколькими скоростями вращения.
За это отвечает отдельный блок сопротивлений, замедляющий вращение.

При его неисправности мотор будет работать на отдельных скоростях либо только на максимальной скорости, напрямую, без сопротивлений. В этом случае самым разумным будет замена блока сопротивлений. В результате из заслонок опять дует теплый воздух.
Шевроле Авео не работает вентилятор радиатора
Неисправность блока управления Блок управления также может давать сбои или неправильно регулировать температуру в салоне. Также могут неправильно действовать неисправные регуляторы на панели. Сам блок управления редко поддается ремонту и подлежит замене. Еще одной причиной неправильной работы печки является выход из строя датчика температуры воздуха в салоне или его замыкание.
Ремонт скорости вентилятора охлаждения на шевроле Круз
Ведь обратная связь происходит именно через этот датчик. Зная устройство и принцип работы системы, а также представляя последовательность действий, можно уверенно разобраться с этой неисправностью самостоятельно.
Ремонт печной заслонки
Перед началом работ определимся с инструментарием и расходными материалами. Вот они:
- отвёртка крестовая;
- отвёртка с плоским жалом;
- нож;
- отрезок стальной проволоки (длина — 20 см, диаметр — 4 мм);
- дрель электрическая со сверлом на 5 мм;
- тюбик клея «Момент».
Последовательность ремонта
- Салон автомобиля со стороны водителя открывается. Под блоком переключателей света находится небольшой ящичек. Он открывается полностью, потом аккуратно вытягивается на себя. Пластиковые защёлки, на которых он держится, откроются с характерным щелчком и ящичек можно будет извлечь из ниши.

Крышка бардачка «Шевроле Круз» открывается полностью, затем извлекается из ниши

Выдавить переключатель света на «Шевроле Круз» можно через проём бардачка

Переключатель света на «Шевроле Круз» следует отсоединить от колодки с проводами

Чтобы снять левую накладку на торпедо «Шевроле Круз» её следует слегка потянуть на себя

Нижняя панель торпедо «Шевроле Круз» держится на трёх саморезах на 7

После откручивания крепежа воздуховод «Шевроле Круз» нужно аккуратно сдвинуть вниз

Моторчик сервопривода печной заслонки на «Шевроле Круз» держится на двух болтах на 5

В ремонтном отверстии на «Шевроле Круз» хорошо видна сломанная тяга и заслонка

Самый простой способ ремонта тяги «Шевроле Круз» — кусок стальной проволоки

Многие автолюбители ремонтируют тягу «Шевроле Круз» с помощью стальных накладок

По окончании ремонта тяги «Шевроле Круз» отверстие заделывается с помощью клея «Момент» и герметика
Причины и способы устранения
Характерные признаки неисправности:
- слабый поток тёплого воздуха из дефлекторов;
- веет холодный воздух, несмотря на установленный максимальный градус на панели приборов;
- воздух поступает периодически, с явными перепадами;
- моторчик работает нестабильно, с превышением, занижением оборотов;
- моторчик не активируется механическим рычагом.
Частые причины поломок:
- негативные последствия аварии, столкновения, удара;
- некачественное соединение, фиксация каналов подачи воздуха от печного отопителя к дефлекторам;
- сгорела обмотка моторчика;
- датчик не показывает температуру, электронный блок управления идентифицирует ошибку;
- воздушная система засорена сторонними предметами, листьями;
- деформирована пробка расширительного бачка, износ патрубков. Образование течи антифриза системы охлаждения в салоне автомобиля, моторном отсеке;
- короткое замыкание в сети;
- слабый контакт на клеммах;
- неисправность предохранителя в блоке управления Chevrolet Cruze.
Эффективные способы устранения поломки
- диагностика блока предохранителей Chevrolet Cruze;
- проверка уровня антифриза в системе;
- демонтаж торпеды, замена изношенных, повреждённых деталей.
Работы по устранению дефектов проводятся как самостоятельно, так и с помощью мотористов СТО. В первом случае необходимо иметь опыт в обслуживании Шевроле Круз.
При наличии инструментов, расходных материалов, просторной ремонтной площадки, длительность замены составит не более одного часа. Одна проблема – нужен помощник, самому справиться трудно.

















































