Система охлаждения двигателя Камаз 740
За охлаждение дизельного двигателя Камаз 740 отвечает жидкостная система закрытого типа с принудительной циркуляцией. Ее основные элементы:
- Радиатор,
- Водяной насос,
- Термостаты,
- Гидромуфта привода вентилятора и ее включатель,
- Расширительный бачок,
- Перепускные трубы и патрубки,
- Жалюзи.
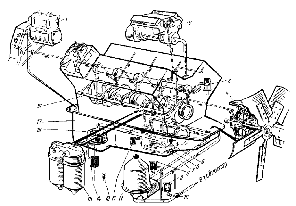
Схема системы охлаждения Камаз 740.
Центробежный насос обеспечивает постоянную циркуляцию охлаждающей жидкости в системе во время работы мотора. Сначала жидкость подается в водяные полости левого и правого рядов цилиндров.
Во время охлаждения наружных поверхностей гильз цилиндров, охлаждающая жидкость попадает в водяные полости головок цилиндров через каналы в верхних привалочных плоскостях блока.
После прохождения головок цилиндров жидкость по трубам подается в термостат и уже от туда в зависимости от ее температуры она уходит либо в радиатор для снижения температуры, либо в водяной насос, от куда идет на следующий круг в систему охлаждения.
Рабочая температура охлаждающей жидкости в системе охлаждения двигателя Камаз 740 — 80-98 град.С. За тепловой режим двигателя отвечают автоматические термостаты и включатель гидромуфты вентилятора. И в зависимости от температуры включается вентилятор для дополнительного охлаждения жидкости или она все время находится в циркуляции если температура в пределах нижних границ.
Для холодного времени года (что для нашей страны очень актуально) и для быстрого прогрева мотора и доведения его до рабочей температуры, предусмотрены жалюзи, которые установлены перед радиатором и они не дают набегающему потоку воздуха во время движения автомобиля излишне охлаждать жидкость.
Технические характеристики
КАМАЗ — большегрузный автомобиль, имеющий большое количество вариантов и модификаций. Производитель — Камский автомобильный завод КамАЗ.
Основной отечественный конкурент этого мотора — модели ЯМЗ-236/238 производства Ярославского моторного завода. Но каждый из них занимает свою рыночную нишу. Устройство двигателя КамАЗ-740 похоже на двигатель ЯМЗ, но есть ряд конструктивных отличий. Так, у челнинского мотора на каждый цилиндр предусмотрена отдельная головка блока.
Моторы Евро-0 | 740.210 и 740.260
| Наименование | Характеристика |
| Мощность | 154 кВт. для 210 л.с. и 191 кВт для 260л. с. |
| Количество цилиндров | 8 |
| Количество головок | 8 |
| Количество клапанов | 16 |
| Охлаждение | Жидкостное |
| Объем | 10,85 (10 850 см3.) |
| Система подачи питания | ТНВД 33ЯЗДА или 334 ЯЗДА |
| Порядок работы цилиндров | 1-5-4-2-6-3-7-8 |

Моторы Евро-2 | 740.31-240 и 740.30-260
| Наименование | Характеристика |
| Мощность | 176 кВт. для 240 и 191 кВт. для 260 |
| Количество цилиндров | 8 |
| Количество головок | 8 |
| Количество клапанов | 16 |
| Охлаждение | Жидкостное |
| Объем | 10,85 (10 850 см3) |
| Система подачи питания | ТНВД 337-20 ЯЗДА или 337-21 ЯЗДА |
| Порядок работы цилиндров | 1-5-4-2-6-3-7-8 |

Моторы Евро-2 | 740.51-320 и 740.50-360
| Наименование | Характеристика |
| Мощность | 235 кВт. для 320 и 265 кВт. для 360 |
| Количество цилиндров | 8 |
| Количество головок | 8 |
| Количество клапанов | 16 |
| Охлаждение | Жидкостное |
| Объем | 10,85 (10 850 см3) |
| Система подачи питания | ТНВД 337-20-03 ЯЗДА или 337-20-04 ЯЗДА |
| Порядок работы цилиндров | 1-5-4-2-6-3-7-8 |

Моторы Евро-4 | 740.70 и модификации
| Наименование | Характеристика |
| Мощность | 280–420 л. с. |
| Количество цилиндров | 8 |
| Количество головок | 8 |
| Количество клапанов | 16 |
| Охлаждение | Жидкостное |
| Объем | 11,67 (11 670 см3) |
| Система подачи питания | ТНВД 337-20-03 ЯЗДА или 337-20-04 ЯЗДА |
| Порядок работы цилиндров | 1-5-4-2-6-3-7-8 |
Характеристики двигателей КамАЗ, которые выпускает Камский моторный завод, достаточны и способны выдавать нужную мощность грузовику.
Охлаждающая жидкость, замена
Система охлаждения представляет собой замкнутую систему жидкостного типа с принудительной циркуляцией. Тепловой режим контролируют термостат и гидромуфты. Сама циркуляция происходит за счёт центробежного насоса, процесс выглядит следующим образом: сначала омывается левый ряд цилиндров, потом правый.
Охлаждающая жидкость проходит через гильзы цилиндров и через отверстие в головку блока цилиндров. Нагретый антифриз поступает в термостат и в зависимости от того, куда тот его определит, в водяной насос, или в радиатор.
Согласно предписаниям технического регламента, охлаждающую жидкость в силовой установке необходимо менять, в зависимости от эксплуатации, каждые три или пять лет. Основным показателем непригодности жидкости к дальнейшему использованию является её цвет. Если он имеет грязный оттенок и отличается от первоначального цвета, дальнейшее использование недопустимо.
Следить за тем, какой уровень охлаждающей жидкости в данный момент имеет силовая установка надо постоянно, во избежание перегрева мотора. В случае необходимости следует долить нужное количество жидкости, типа Тосол-А40. При каждом старте мотора желательно проводить следующие действия:
Недостатки и характерные поломки силовых установок
Ремонт двигателей КАМАЗ, не приносит владельцу особенных хлопот, если строго соблюдать, регламент технического обслуживания и выполнять его в соответствии с паспортными рекомендациями. Так, необходимо регулярно, с установленной периодичностью проводить сервисное обслуживание основных компонентов, менять рабочие жидкости, регулировать тепловые зазоры, менять фильтры.
Если же серьёзных поломок избежать не удалось, как рекомендация двигатель КАМАЗ ремонт лучше производить силами квалифицированных специалистов, поскольку для выполнения всех необходимых работ требуется наличие специального оборудования и стендов.

К основным неисправностям силовых установок относят:
- Силовая установка не запускается. Возможно, в системе питания топливом присутствует воздух. Необходимо выявить причину появления воздуха, привести систему в герметичное состояние и прокачать топливо.
- Мотор не заводится. Возможно, нарушен угол опережения впрыска топлива. Необходимо отрегулировать угол опережения.
- Двигатель не заводится при минусовой температуре. Попадание воды в топливные трубки или на сетку забора топлива и последующее её замерзание. Надо прогреть топливные фильтры, баки и трубки горячей водой с целью растопить замерзшую жидкость.
- Неровная работа силового агрегата, мотор сильно вибрирует, не держит холостые обороты, провалы мощности при увеличении оборотов. Возможной причиной является засорение форсунок. Для устранения неисправности необходимо промыть форсунки на специальном стенде.
Капитальный ремонт
Капитальный ремонт двигателя КамАЗ-740 — это довольно сложная процедура, которая требует знаний конструкции, технических норм и специального оборудования для проведения данных операций. Существуют инструкции к проведению капремонта силовых агрегатов, которые разработаны заводом-изготовителем, в них достаточно точно прописаны все тонкости процесса.
Последовательность действий проведения восстановительных операций по двигателю КамАЗ-740:
- Для начала неисправный мотор разбирается для определения дефектов.
- Следующим этапом становится диагностика неисправностей. Сюда входит проведение диагностических работ по коленчатому валу, головкам блока цилиндров, распределительному валу, водяному и масляным насосам. При проведении ремонтно-восстановительных работ обязательно восстановается топливный насос высокого давления подачи топлива.
- Следующий этап ремонта силового агрегата — это расточка блока и коленчатого вала. Стоит отметить, что коленвал у КамАЗ — деталь достаточно прочная, так что не всегда это требуется. А вот с блоком дела обычно обстоят намного хуже. В любом случае придется растачивать цилиндры, но и это не всегда помогает. Так, если мотору более 20 лет, то единственным решением является гильзовка блока.
| Наименование / Ремонт | 1 | 2 | 3 | 4 |
| Коленчатый вал | 0,25 мм | 0,50 мм | 0,75 мм | 1,00 мм |
| Блок цилиндров | 120,5 мм | 121,0 мм | 121,5 мм | СТ — гильзовка |
- Неотъемлемым этапом проведения восстановления мотора является ремонт всех головок, которых у КамАЗ восемь штук. Так, зачастую меняются направляющие втулки, которые для начала разворачиваются на токарном станке. На клапанах снимается и подгоняется фаска, а седла подвергаются шарошке.
- Следующим этапом становится полировка кулачков распределительного вала. Проводится это на токарном станке при помощи специальной пасты и наждачной бумаги.
- Дальше идет этап ремонта водяного и масляного насоса. Специалисты по ремонту моторов неохотно ремонтируют эти детали, но в связи с особой дороговизной им приходится, чтобы сохранить клиентов. Как уже говорилось ранее, замене подлежат только некоторые элементы изделий. Так, меняются крыльчатка, вал в сборе, манжета и подшипники.
- Перед тем как приступить к процедуре укладки коленчатого вала, необходимо провести процесс балансировки. К коленвалу прицепляют сцепление и вращают, устанавливая специальные грузы. Если не провести данную процедуру, то в процессе эксплуатации вал разбалансируется, что приведет к разбитию бугелей и шатунов с вкладышами.
- Последним этапом по праву может считаться сборка. Этот процесс достаточно долгий, поскольку занимает почти целый день. Коленчатый вал укладывают, и проходит процесс «перевязки». Это процедура соединения коленвала с поршневой группой и установка вкладышей, как коренных, так и шатунных. Далее собирается масляный насос и помпа. Собираются все мелкие детали. Последними устанавливаются головки блока, клапанные крышки, ТНВД и система выпуска.
- После того как двигатель собран, его необходимо обкатать. Делается это только на горячую. К силовому агрегату подключают систему питания и систему выпуска, а затем его заводят, регулируя обороты, и периодически выставляются зазоры клапанного механизма.
Ремонт и неисправности
Как и любой силовой агрегат, двигатель 740 имеет свойство ломаться.
Наши специалисты по ремонту смогут помочь Вам с ремонтов двигателей КамАЗ заказать ремонт
Большинство неисправностей являются следствием нарушения рекомендаций и сроков Технического Обслуживания. Перед эксплуатацией автомобиля настоятельно рекомендуем изучить справочное руководство по эксплуатации и техническому обслуживанию двигателей Камаз.
Неисправности двигателя 740 могут обуславливаться проблемами в шатунно-кривошипных механизмах и в механике, которая отвечает за распределение газа. Обычные признаки: появление глухих и ритмичных стуков внизу двигательного картера, а также наличие звонких стуков внутри цилиндра.
В шатунно-кривошипной механике к неполадкам может приводить плохая амортизация шеек внутри коленчатого вала, а также износ подшипников. Возможен проворот вкладышей, а также заклинивание внутри коленчатого вала из-за закоксованных масляных каналов внутри каждой шейки, обрыв шатунов или шатунных болтов, износ поршневых колец, а также гильзы цилиндров, износ отверстий, необходимых для прохождения жидкости для охлаждения внутри цилиндров под влиянием ударного колебания.
Принцип работы
Двигатель камаз 740 — это V-образный дизельный мотор внутреннего сгорания. Клапаны двигателя расположены двумя параллельными рядами под углом примерно 180 градусов. Такой ряд цилиндров при виде сбоку напоминает латинскую букву V, отчего и получил название данный тип двигателей. При расположении цилиндров в 2 ряда под углом 90 градусов двигатель именуется L образным, а в 1 ряд -маркируется буквой R. Двигатель КамАЗ более компактный, чем отечественный аналоги и обеспечивает более быстрое вращение головки цилиндров и развивать большую мощность при меньшем объеме.
Устройство двигателя Камаз 740 типично для дизельного мотора. Основно частью устройства является коленчатый вал, к которому крепятся цилиндры. Двигатель обеспечивает большую степень сжатия дизеля (сжимает в 17 раз), благодаря чему происходит воспламенение, выделяется кинетическая энергия.
Основные технические характеристики
Двигателя КамАЗ 740 выпускаются более четверти века и в зависимости от поколений имеют некоторые особенности. Основные характеристики для всего ряда следующие:
- цилиндров — 8;
- головок — 8;
- клапанов — 16;
- охлаждение — жидкостное.

Кроме того, общими характеристиками направление вращения коленвала (правое), диаметр цилиндров поршня (120), для большинства моделей -масса пустого двигателя (885 кг.).
Экологические стандарты моторов также разнятся в зависимости от года разработки конкретной модели. Существуют КамАЗы с движками от стандарта евро-0 до стандарта евро-5. Отличается и мощность моторов (от 150 до 420 л.с.) и объем масла в двигателе (от 28 до 33,5 литров). От мощности и объема мотора зависит и то, сколько весит двигатель КАМАЗ. Минимальная масса движка — 750 кг., максимальная -1130.
Капитальный ремонт
заказать ремонт
Капитальный ремонт двигателя КамАЗ-740 — это довольно сложная процедура, которая требует знаний конструкции, технических норм и специального оборудования для проведения данных операций. Существуют инструкции к проведению капремонта силовых агрегатов, которые разработаны заводом-изготовителем, в них достаточно точно прописаны все тонкости процесса.
Последовательность действий проведения восстановительных операций по двигателю КамАЗ-740:
- Для начала неисправный мотор разбирается для определения дефектов.
- Следующим этапом становится диагностика неисправностей. Сюда входит проведение диагностических работ по коленчатому валу, головкам блока цилиндров, распределительному валу, водяному и масляным насосам. При проведении ремонтно-восстановительных работ обязательно восстановается топливный насос высокого давления подачи топлива.
- Следующий этап ремонта силового агрегата — это расточка блока и коленчатого вала. Стоит отметить, что коленвал у КамАЗ — деталь достаточно прочная, так что не всегда это требуется. А вот с блоком дела обычно обстоят намного хуже. В любом случае придется растачивать цилиндры, но и это не всегда помогает. Так, если мотору более 20 лет, то единственным решением является гильзовка блока.
| Наименование / Ремонт | 1 | 2 | 3 | 4 |
| Коленчатый вал | 0,25 мм | 0,50 мм | 0,75 мм | 1,00 мм |
| Блок цилиндров | 120,5 мм | 121,0 мм | 121,5 мм | СТ — гильзовка |
- Неотъемлемым этапом проведения восстановления мотора является ремонт всех головок, которых у КамАЗ восемь штук. Так, зачастую меняются направляющие втулки, которые для начала разворачиваются на токарном станке. На клапанах снимается и подгоняется фаска, а седла подвергаются шарошке.
- Следующим этапом становится полировка кулачков распределительного вала. Проводится это на токарном станке при помощи специальной пасты и наждачной бумаги.
- Дальше идет этап ремонта водяного и масляного насоса. Специалисты по ремонту моторов неохотно ремонтируют эти детали, но в связи с особой дороговизной им приходится, чтобы сохранить клиентов. Как уже говорилось ранее, замене подлежат только некоторые элементы изделий. Так, меняются крыльчатка, вал в сборе, манжета и подшипники.
- Перед тем как приступить к процедуре укладки коленчатого вала, необходимо провести процесс балансировки. К коленвалу прицепляют сцепление и вращают, устанавливая специальные грузы. Если не провести данную процедуру, то в процессе эксплуатации вал разбалансируется, что приведет к разбитию бугелей и шатунов с вкладышами.
- Последним этапом по праву может считаться сборка. Этот процесс достаточно долгий, поскольку занимает почти целый день. Коленчатый вал укладывают, и проходит процесс «перевязки». Это процедура соединения коленвала с поршневой группой и установка вкладышей, как коренных, так и шатунных. Далее собирается масляный насос и помпа. Собираются все мелкие детали. Последними устанавливаются головки блока, клапанные крышки, ТНВД и система выпуска.
- После того как двигатель собран, его необходимо обкатать. Делается это только на горячую. К силовому агрегату подключают систему питания и систему выпуска, а затем его заводят, регулируя обороты, и периодически выставляются зазоры клапанного механизма.
После того как силовой агрегат КамАЗ собран, его устанавливают на автомобиль и испытывают на ходу.
Ремонт и обслуживание двигателей КамАЗ-740 достаточно простое, и не требует никаких особых навыков и умений специалистов. В отличие от западных аналогов, мотор КамАЗ имеет простые конструктивные особенности и не имеет сложной электроники.
заказать ремонт
Виды моторов
Не смотря на один и тот же принцип работы модельный ряд двигателей камаз 740 претерпел значительные изменения. Были разработаны модели с большей или меньшей мощностью под разные автомобили, повышена надежность, максимальный пробег и снижены затраты топлива. Добавлены фильтра, которые сделали фактическую необходимость обслуживания чаще и позволили повысить экологический стандарт мотора.
моторы евро 0 с маркировкой 740.210 и 740.260
| 740.210 | 740.260 | |
| Мощность, кВт | 154 | 191 |
| Объем топлива, л | 10,85 | 10,85 |
| Объем масла, л. | 26 | 28 |
| Сжатие топлива | 17 | 16,5 |
| Масса, кг. | 750 | 780 |
| Удельный расход топлива | 155 | 207 |
моторы евро 2 с маркировкой 740 31 240 и 740 30 260
| 740.31.240 | 740.30.260 | |
| Мощность, кВт | 176 | 191 |
| Объем топлива, л | 10,85 | 10,85 |
| Объем масла, л. | 26 | 28 |
| Сжатие топлива | 16 | 16,5 |
| Масса, кг. | 760 | 885 |
моторы евро 2 с маркировкой 740 51 320 и 740 50 360
| 740.51.320 | 740.50.360 | |
| Мощность, кВт | 176 | 191 |
| Объем топлива, л | 10,85 | 10,85 |
| Объем масла, л. | 26 | 28 |
| Сжатие топлива | 16 | 16,5 |
| Масса, кг. | 760 | 885 |
| Удельный расход топлива | 207 | 207 |
моторы евро 4 с маркировкой 740 70 и модификации
| 740.70._____ | |
| Мощность, кВт | 280-440 |
| Объем топлива, л | 11,76 |
| Объем масла, л. | 28-32 |
| Сжатие топлива | 16,8 |
| Масса, кг. | 870 |
За время усовершенствования модельного ряда моторов была проведена колоссальная работа. Кроме соответствия экологическому стандарту Евро-4 в новых двигателях в несколько раз была увеличен срок службы, а также на 9% сокращен расход топлива, снижена естественная потеря масла.
Принцип работы
Двигатель камаз 740 — это V-образный дизельный мотор внутреннего сгорания. Клапаны двигателя расположены двумя параллельными рядами под углом примерно 180 градусов. Такой ряд цилиндров при виде сбоку напоминает латинскую букву V, отчего и получил название данный тип двигателей. При расположении цилиндров в 2 ряда под углом 90 градусов двигатель именуется L образным, а в 1 ряд -маркируется буквой R. Двигатель КамАЗ более компактный, чем отечественный аналоги и обеспечивает более быстрое вращение головки цилиндров и развивать большую мощность при меньшем объеме.
Устройство двигателя Камаз 740 типично для дизельного мотора. Основно частью устройства является коленчатый вал, к которому крепятся цилиндры. Двигатель обеспечивает большую степень сжатия дизеля (сжимает в 17 раз), благодаря чему происходит воспламенение, выделяется кинетическая энергия.
Описание модели КамАЗ-5320 (5320)
ТЕХНИЧЕСКИЕ ХАРАКТЕРИСТИКИ
Мод. КамАЗ-740.10, дизель, V-o6p. (90°), 8-цилин., 120×120 мм, 10,85 л, степень сжатия 17, порядок работы 1-5-4-2-6-3-7-8, мощность 154 кВт (210 л.с.) при 2600 об/мин, крутящий момент 637 Н-м (65 кгс-м) при 1500-1800 об/мин. Форсунки — закрытого типа, ТНДВ — V-обр., 8-секционный, золотникового типа, с топливоподкачивающим насосом низкого давления, муфтой опережения впрыска топлива и всережимным регулятором частоты вращения. Воздушный фильтр — сухой, со сменным картонным фильтрующим элементом и индикатором засоренности. Двигатель оснащен электрофакельным устройством (ЭФУ) и (по заказу) предпусковым подогревателем ПЖД-30.
Трансмиссия
Сцепление — двухдисковое, с периферийными пружинами, привод выключения — гидравлический с пневмоусилителем. Коробка передач — 5-ступенчатая, с передним делителем, общее число передач — десять вперед и две назад, передат. числа: I-7,82 и 6,38; II-4,03 и 3,29; III-2,5 и 2,04; IV-1,53 и 1,25; V-1,0 и 0,815; ЗХ-7,38 и 6,02. Синхронизаторы — на II, III, IV и V передачах. Делитель снабжен синхронизатором, управление делителем — пневмомеханическое, преселекторное. Карданная передача — два карданных вала. Главная передача — двойная (коническая и цилиндрическая), передат. число — 6,53 (по заказу — 7,22; 5,94; 5,43); средний мост — проходной, с межосевым дифференциалом, блокируемым с помощью электропневматического или пневматического привода.
Колеса и шины
Колеса — бездисковые, обод 7,0-20, крепление на 5 шпильках. Шины — 9.00R20 (260R508), мод. И-Н142Б, давление в шинах передних колес — 7,3; задних: КамАЗ-5320 — 4,3; КамАЗ-53212 — 5,3 кгс/см 2 ; число колес 10+1.
Подвеска
Зависимая: передняя — на полуэллиптических рессорах с задними скользящими концами, с амортизаторами; задняя — балансирная, на полуэллиптических рессорах, с шестью реактивными штангами, концы рессор — скользящие.
Тормоза
Рабочая тормозная система — с барабанными механизмами (диаметр 400 мм, ширина накладок 140 мм, разжим — кулачковый), двухконтурным пневмоприводом. Тормозные камеры: передние — типа 24, тележки — 20/20 с пружинными энергоаккумуляторами. Стояночный тормоз — на тормоза тележки от пружинных энергоаккумуляторов, привод пневматический. Запасной тормоз совмещен со стояночным. Вспомогательный тормоз — моторный замедлитель с пневмоприводом. Привод тормозов прицепа — комбинированный (двух- и одноприводный). Имеется спиртовой предохранитель против замерзания конденсата.
Рулевое управление
Рулевой механизм — винт с шариковой гайкой и поршень-рейка, зацепляющаяся с зубчатым сектором вала сошки, передат. число 20. Гидроусилитель — встроенный, давление масла в усилителе 80-90 кгс/см 2 .
Электрооборудование
Напряжение 24 В, ак. батарея 6СТ-190ТР или -190 ТМ (2 шт.), генераторная установка Г-273 с регулятором напряжения Я120М, стартер СТ142-Б.
Заправочные объемы и рекомендуемые эксплуатационные материалы Топливные баки: у КамАЗ-5320 — 175 или 250 л, у КамАЗ-53212 — 250 л, диз. топливо; система охлаждения (с подогревателем) — 35 л, охл. жидкость — тосол А-40; система смазки двигателя — 26 л, летом М-10Г (к)зимой М-8Г2(к), всесезонно ДВ-АСЗп-10В; гидроусилитель рулевого управления — 3,7 л, масло марки Р; коробка передач с делителем — 12 л, ТСП-15К; картеры ведущих мостов — 2×7 л, ТСп-15К; гидравлическая система выключения сцепления — 0,28 л, тормозная жидкость «Нева»; амортизаторы — 2×0,475 л, жидкость АЖ-12Т; предохранитель против замерзания конденсата в тормозном приводе — 0,2 л или 1,0 л, этиловый спирт; бачок омывателя ветрового стекла — 1,8 л, жидкость НИИСС-4 в смеси с водой.
Виды моторов
Не смотря на один и тот же принцип работы модельный ряд двигателей камаз 740 претерпел значительные изменения. Были разработаны модели с большей или меньшей мощностью под разные автомобили, повышена надежность, максимальный пробег и снижены затраты топлива. Добавлены фильтра, которые сделали фактическую необходимость обслуживания чаще и позволили повысить экологический стандарт мотора.

моторы евро 0 с маркировкой 740.210 и 740.260
| 740.210 | 740.260 | |
| Мощность, кВт | 154 | 191 |
| Объем топлива, л | 10,85 | 10,85 |
| Объем масла, л. | 26 | 28 |
| Сжатие топлива | 17 | 16,5 |
| Масса, кг. | 750 | 780 |
| Удельный расход топлива | 155 | 207 |
моторы евро 2 с маркировкой 740 31 240 и 740 30 260
| 740.31.240 | 740.30.260 | |
| Мощность, кВт | 176 | 191 |
| Объем топлива, л | 10,85 | 10,85 |
| Объем масла, л. | 26 | 28 |
| Сжатие топлива | 16 | 16,5 |
| Масса, кг. | 760 | 885 |
моторы евро 2 с маркировкой 740 51 320 и 740 50 360
| 740.51.320 | 740.50.360 | |
| Мощность, кВт | 176 | 191 |
| Объем топлива, л | 10,85 | 10,85 |
| Объем масла, л. | 26 | 28 |
| Сжатие топлива | 16 | 16,5 |
| Масса, кг. | 760 | 885 |
| Удельный расход топлива | 207 | 207 |
моторы евро 4 с маркировкой 740 70 и модификации
| 740.70._____ | |
| Мощность, кВт | 280-440 |
| Объем топлива, л | 11,76 |
| Объем масла, л. | 28-32 |
| Сжатие топлива | 16,8 |
| Масса, кг. | 870 |
За время усовершенствования модельного ряда моторов была проведена колоссальная работа. Кроме соответствия экологическому стандарту Евро-4 в новых двигателях в несколько раз была увеличен срок службы, а также на 9% сокращен расход топлива, снижена естественная потеря масла.
Охлаждающая жидкость, замена
Система охлаждения представляет собой замкнутую систему жидкостного типа с принудительной циркуляцией. Тепловой режим контролируют термостат и гидромуфты. Сама циркуляция происходит за счёт центробежного насоса, процесс выглядит следующим образом: сначала омывается левый ряд цилиндров, потом правый.
Охлаждающая жидкость проходит через гильзы цилиндров и через отверстие в головку блока цилиндров. Нагретый антифриз поступает в термостат и в зависимости от того, куда тот его определит, в водяной насос, или в радиатор.
Согласно предписаниям технического регламента, охлаждающую жидкость в силовой установке необходимо менять, в зависимости от эксплуатации, каждые три или пять лет. Основным показателем непригодности жидкости к дальнейшему использованию является её цвет. Если он имеет грязный оттенок и отличается от первоначального цвета, дальнейшее использование недопустимо.
Следить за тем, какой уровень охлаждающей жидкости в данный момент имеет силовая установка надо постоянно, во избежание перегрева мотора. В случае необходимости следует долить нужное количество жидкости, типа Тосол-А40. При каждом старте мотора желательно проводить следующие действия:
- На специальном расширительном бачке открыть кран и посмотреть, потекла ли жидкость. Если да, уровень в норме. Привести кран в первоначальное состояние и завести мотор. Если нет, долить охлаждающую жидкость до момента, пока она не потечёт из крана. Если жидкость не течёт, проверить кран и систему охлаждения в целом на наличие повреждений.
- При нехватке охлаждающей жидкости, или её отсутствии вообще, категорически запрещается заводить силовую установку. Выполнив это действие, можно привести в негодность крыльчатку, что повлечёт за собой дорогостоящий ремонт.
- В случае необходимости заменить жидкость в связи с её неудовлетворительным состоянием: надо слить жидкость с нижнего крана радиатора, котла, подогревателя, из трубы печки кабины. После чего необходимо закрыть все краны и снова наполнить систему до нужного уровня.
Ремонт агрегата КамАЗ-740
Чтобы избежать дорогостоящего ремонта ТНВД или водяного насоса, владельцы автомобилей КамАЗ очень щепетильно относятся к уходу за ДВС и бортовыми системами транспортного средства. Специалисты с опытом обслуживания данных грузовиков рекомендуют чистить форсунки не реже, чем через каждые 20 000 километров пробега. Такая высокая частотность профилактических мероприятий обусловлена низким качеством дизтоплива.
Силовые установки КамАЗ-740 давно и прочно зарекомендовали себя с хорошей стороны. Их технические характеристики и возможности известны во всем мире. К примеру, в 80-е годы минувшего тысячелетия моторами Камского автозавода агрегатировались грузовые транспортные средства знаменитого немецкого бренда «ДАФ». В конечном итоге немцы разработали и начали производить собственные дизельные двигатели, которые больше соответствовали крупнотоннажным грузовикам.
Моторы семейства КамАЗ-740 изготавливаются по сей день. Отечественный автогигант выпускает их в достаточно большом количестве, постоянно модифицируя и модернизируя двигатель. Так, руководство компании планирует в ближайшем будущем представить новую силовую установку с маркировкой 740.80-300.
Новинка представляет собой двигатель пятого поколения с экологическими нормами Евро-5. Из фундаментальных доработок можно выделить новую систему впрыска топлива, которая, по мнению конструкторов и инженеров, способна в корне изменить представление о турбодизелях для грузовиков. Ожидается, что мощность агрегата КамАЗ-740.80-300 будет варьироваться в диапазоне 500-800 л. с.
Ремонт и неисправности
Износ двигателя, обусловленный большим пробегом, неправильной эксплуатацией или отсутствием своевременного обслуживания дизеля приводит к ухудшению характеристик автомобиля, а позже и к невозможности работы двигателя. Двигателя КамАЗ 740 не являются исключением. Номинальный пробег моторов – 800 тысяч километров, поле чего требуется капитальный ремонт двигателя КамАЗ 740.

Симптомами поломки являются:
- падение мощности;
- повышенный расход топлива;
- повышенный расход масла;
- высокая дымность выхлопа;
- нестабильная работа на холостом ходу.
Чаще всего неисправности кроются в неправильной работе коленчатого вала. Также возможны перебои в работе систем коммуникаций, обычно связанные с их засорением.
В этом случае требуется капитальный ремонт. Не стоит доводить ситуацию до вызова эвакуатора.
Замена водяного насоса
Одной из распространенных неисправностей является вышедший з строя водяной насос двигателя. В этом случае зацикливается вал жидкости или в насосе возникает течь. Сам насос довольно дорогостоящий, поэтому имеет смысл попытаться восстановить устройство или отнести его в ремонт.
После установки нового или отремонтированного насоса обратите внимание, что отверстия в корпусе насоса должны быть открытыми. Верхнее отверстие служит для вентиляции, нижнее – для контроля герметичности системы
Чистка форсунок
Еще одна причина падения мощности автомобиля – засоренные форсунки. Своевременная промывка детали позволит вернуть эксплуатационные характеристики машины. Автомобиль престанет «тянуть», что довольно критично для грузовика. Одной из распространенных причин неисправности являются забитые форсунки.
Чистка данной детали – довольно простая операция. Для начала нужно снять форсунки, после чего подключить их к источнику питания и впрыскивать в них жидкость из шприца. Лучше всего использовать специальную. Жидкость, а в случае ее отсутствия – жидкость для чистки карбюратора легковой машины.
Своевременное обслуживание и текущий ремонт двигателя позволит избежать более серьезных поломок и избежать неприятностей, связанных с неожиданной поломкой в дороге.


















































